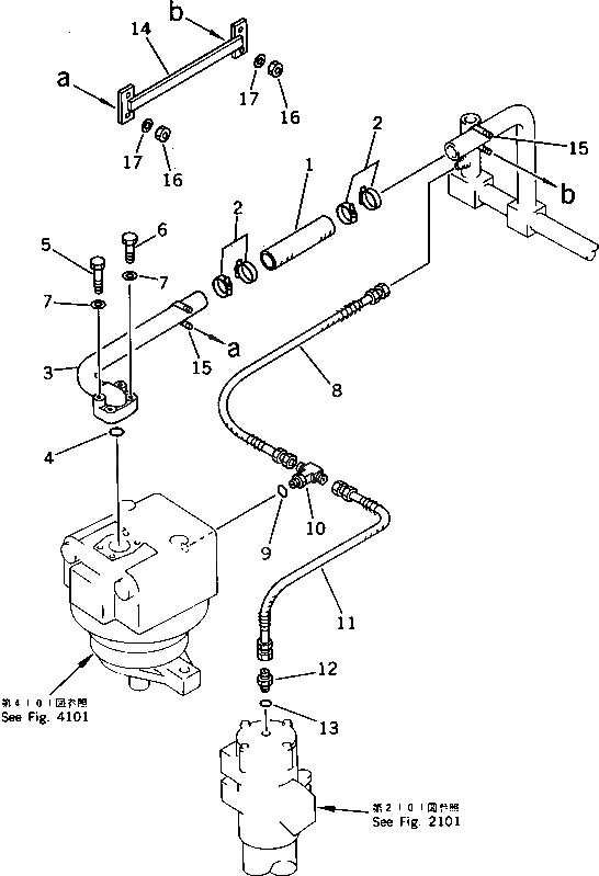
Запчасти Komatsu PC220-3 ГИДРОЛИНИЯ (ВОЗВРАТ.)(№-) УПРАВЛ-Е РАБОЧИМ ОБОРУДОВАНИЕМ

Схема запчастей Komatsu PC220-3 - ГИДРОЛИНИЯ (ВОЗВРАТ.)(№-) УПРАВЛ-Е РАБОЧИМ ОБОРУДОВАНИЕМ
FIT
1:1
100%

Артикул

Название

Примечание

Количество

1

205-62-68330

HOSE

2

208-09-11110

CLAMP

3

205-62-71961

TUBE

4

07000-03045

O-RING

5

01010-51270

BOLT

6

01010-51260

BOLT

7

01643-31232

WASHER

8

205-62-71281

HOSE

9

07002-02034

O-RING

10

209-62-27580

TEE

11

205-62-71290

HOSE

12

07230-10315

UNION

13

07002-02034

O-RING

14

208-62-16760

PLATE

15

07283-24346

CLIP

16

01599-01011

NUT

17

01643-31032

WASHER

Выбрано товаров: 17