Запчасти Komatsu PC220-3 МАРКИРОВКА (СПЕЦ-Я TBG) СПЕЦ. APPLICATION ЧАСТИ¤ МАРКИРОВКА¤ ИНСТРУМЕНТ И РЕМКОМПЛЕКТЫ

Схема запчастей Komatsu PC220-3 - МАРКИРОВКА (СПЕЦ-Я TBG) СПЕЦ. APPLICATION ЧАСТИ¤ МАРКИРОВКА¤ ИНСТРУМЕНТ И РЕМКОМПЛЕКТЫ
FIT
1:1
100%

Артикул

Название

Примечание

Количество

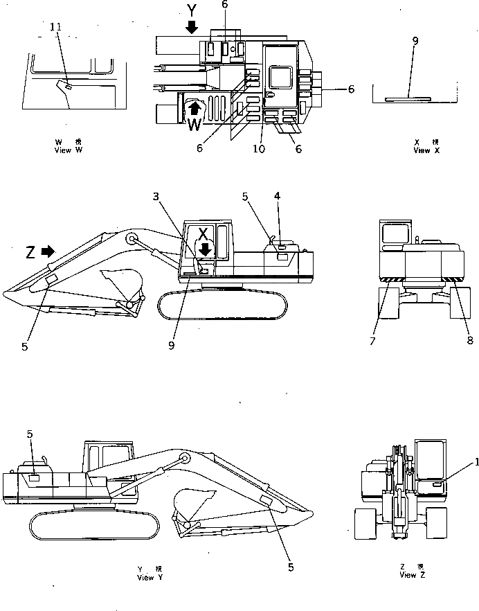
1

205-00-66110

PLATE, OPERATING

3

09602-22643

PLATE, NAME

3

09602-21643

PLATE, NAME

3

01220-60408

SCREW

5

20T-98-22240

PLATE, SAFETY

6

154-54-23260

SEAT,NONSKID

7

205-00-74211

DECALCOMANIA

8

205-00-74221

DECALCOMANIA

9

205-54-77250

SHEET

10

205-00-66130

PLATE, SAFETY

11

205-00-74260

PLATE

Выбрано товаров: 11