Качественные детали и логистика
Оригинальные и аналоговые запчасти с доставкой по России, Казахстану и Беларуси
©2022 PartSell ООО "Система" ИНН 2463123282 ОГРН 1212400004838
Центральный офис: г. Красноярск, Академика Киренского, д.87, пом.4
Телефон: 8 (800) 777-65-74 Email: zakaz@partsell.ru
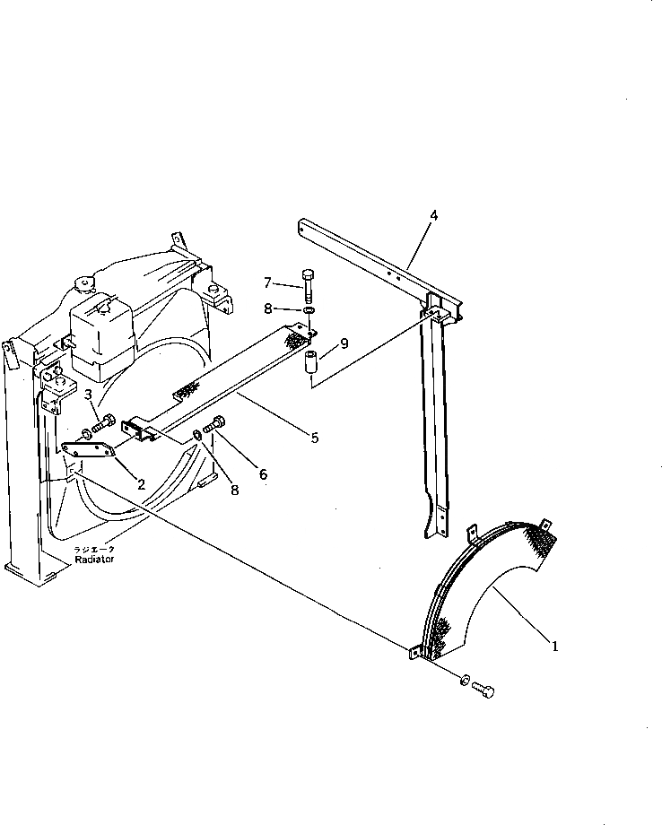
ЗАЩИТА РАДИАТОРА (REGULATION OF SWEDEN)(№78-)
№
Артикул
Название
Примечание
Количество
1
205-03-71510
GUARD
2
205-03-71491
BRACKET
3
01010-51245
BOLT
4
205-54-72870
FRAME
5
205-54-75790
COVER
6
01010-51225
7
01010-51280
8
01643-31232
WASHER
9
206-62-41670
COLLAR
Выбрано товаров: 0