Запчасти Komatsu PC220-3 ГТР РЕГУЛИР. УПРАВЛЯЮЩ. КЛАПАН (С -STAGE SELECTOR MODE OLSS) УПРАВЛ-Е РАБОЧИМ ОБОРУДОВАНИЕМ

Схема запчастей Komatsu PC220-3 - ГТР РЕГУЛИР. УПРАВЛЯЮЩ. КЛАПАН (С -STAGE SELECTOR MODE OLSS) УПРАВЛ-Е РАБОЧИМ ОБОРУДОВАНИЕМ
FIT
1:1
100%

Артикул

Название

Примечание

Количество

|1

708-25-01054

PUMP ASS'Y

|1

708-25-01053

PUMP ASS'Y

|1

708-25-01052

PUMP ASS'Y

|1

708-25-01051

PUMP ASS'Y

|1

708-25-01050

PUMP ASS'Y

|1

708-25-10101

PUMP ASS'Y

|1

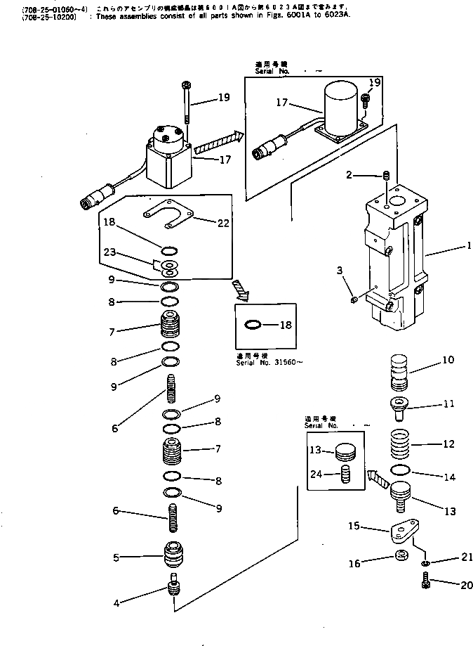
708-25-16101

.SERVO VALVE ASS'Y,REAR

|1

708-23-07050

...BODY ASS'Y

1

....BODY

2

....PLUG

3

720-68-19740

...PLUG

4

708-23-18120

...PISTON

5

708-23-18130

...SLEEVE

6

708-23-18140

...PISTON

7

708-23-18150

...SLEEVE

8

07000-12016

...O-RING

9

07001-02016

...RING,BACK-UP

10

708-23-18161

...SPOOL

11

708-23-18170

...SEAT

12

708-23-18181

...SPRING

13

708-23-15140

...PLUG

14

07000-02018

...O-RING

15

708-23-18210

...COVER

16

01580-10806

...NUT

17

708-23-18221

...SOLENOID ASS'Y

|17

708-23-18220

...SOLENOID ASS'Y

18

07000-02016

...O-RING

19

720-68-19750

...BOLT

20

01252-30616

...BOLT

21

01602-20619

...WASHER,SPRING

22

708-25-18570

...SHIM¤ 0.50MM

23

708-25-18580

...SHIM¤ 0.50MM

Выбрано товаров: 32