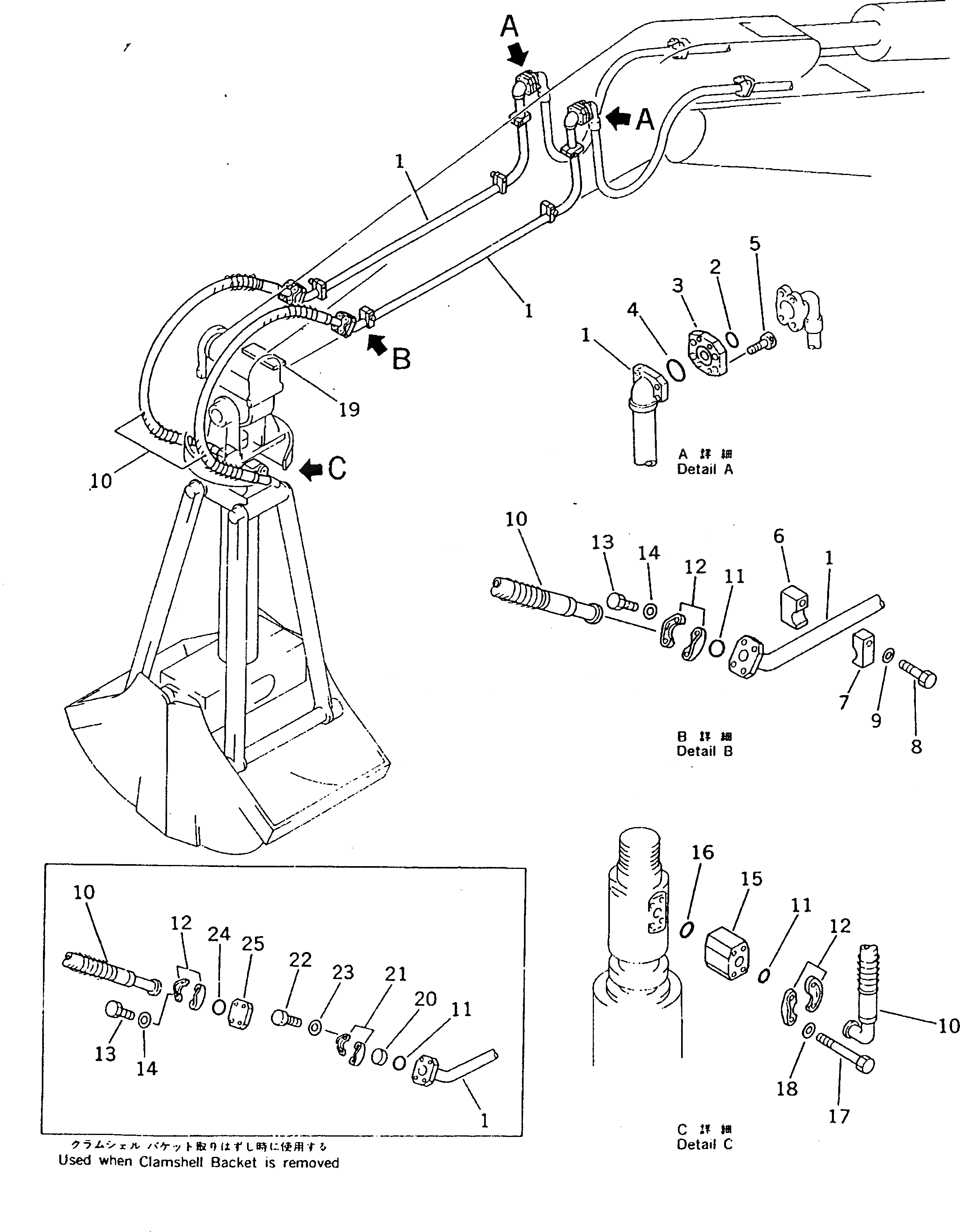
Запчасти Komatsu PC220-3 ГРЕЙФЕРН. ТРУБЫ РАБОЧЕЕ ОБОРУДОВАНИЕ
№
Артикул
Название
Примечание
Количество
1
205-931-7110
TUBE,(FOR STANDARD ARM)
2
07000-13025
O-RING
3
209-62-12730
PLATE
4
07000-13035
O-RING
5
01252-41020
BOLT
6
205-931-6120
CLAMP (WELDED)
7
205-931-6130
CLAMP
8
01010-31250
BOLT
9
01643-31232
WASHER
10
07098-21020
HOSE
11
07000-13032
O-RING
12
07371-31049
FLANGE,SPLIT
13
07372-01030
BOLT
14
01643-51032
WASHER
15
205-931-3150
FLANGE
16
07000-13035
O-RING
17
205-931-6140
BOLT
18
01643-51032
WASHER
19
205-931-3170
PLATE (WELDED)
20
07378-11000
HEAD,SLEEVE
21
07371-31049
FLANGE,SPLIT
22
07372-01030
BOLT
23
01643-51032
WASHER
24
07000-13032
O-RING
25
07379-01044
FLANGE
Выбрано товаров: 0