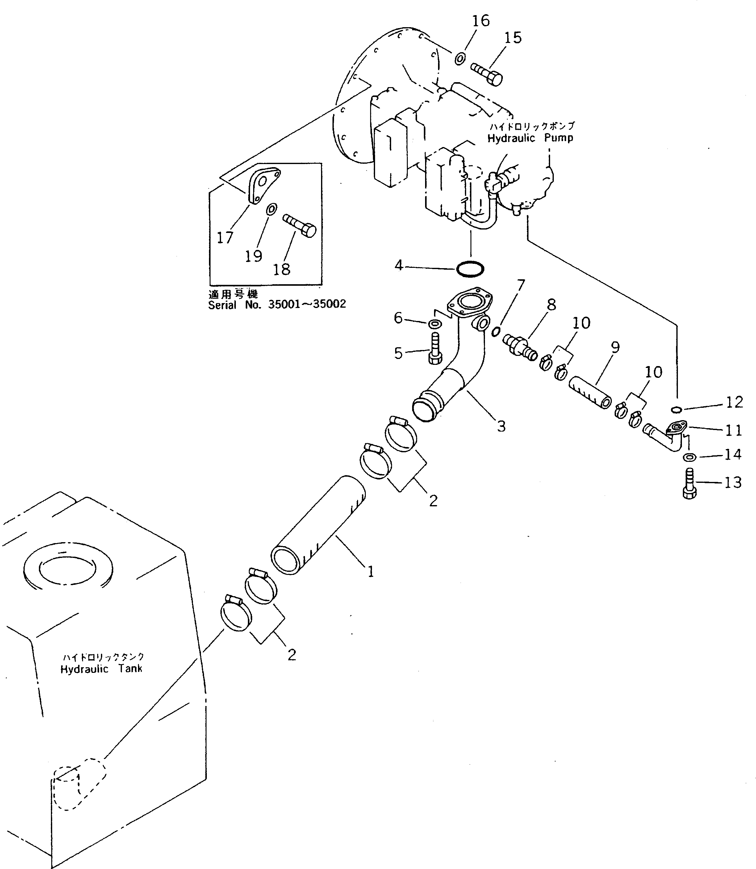
Запчасти Komatsu PC220-5 ИЗ БАКА В НАСОС ТРУБЫ УПРАВЛ-Е РАБОЧИМ ОБОРУДОВАНИЕМ

Схема запчастей Komatsu PC220-5 - ИЗ БАКА В НАСОС ТРУБЫ УПРАВЛ-Е РАБОЧИМ ОБОРУДОВАНИЕМ
FIT
1:1
100%

Артикул

Название

Примечание

Количество

1

07260-27445

HOSE

2

20D-09-11130

CLAMP

3

20Y-62-15111

ELBOW

4

07000-02075

O-RING

5

01010-51235

BOLT

6

01643-31232

WASHER

7

07002-03334

O-RING

8

20Y-62-11970

CONNECTOR

9

07260-02612

HOSE

10

207-09-11110

CLAMP

11

20Y-62-11960

TUBE

12

07000-03028

O-RING

13

01010-51030

BOLT

14

01643-31032

WASHER

15

01010-51040

BOLT

|15

01010-51040

BOLT

16

01643-31032

WASHER

|16

01643-31032

WASHER

17

205-01-67170

PLATE

18

01010-51055

BOLT

19

01643-31032

WASHER

Выбрано товаров: 0