Запчасти Komatsu PC220-5 ГУСЕНИЧНАЯ РАМА(№-) ХОДОВАЯ

Схема запчастей Komatsu PC220-5 - ГУСЕНИЧНАЯ РАМА(№-) ХОДОВАЯ
FIT
1:1
100%

Артикул

Название

Примечание

Количество

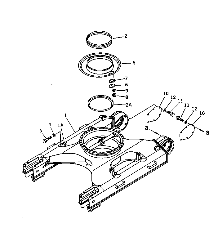
G-1

206-30-X2241

FRAME GROUP

1

206-30-51130

FRAME

1A

20Y-30-11720

PLATE (WELDED)

2

205-30-71170

SEAL

2A

20Y-30-11370

SEAL

3

01010-31675

BOLT

|3

01010-51675

BOLT

4

01643-31645

WASHER

G-2

20Y-30-X2261

COVER GROUP

5

20Y-30-11232

COVER

6

205-30-71181

COVER

7

205-30-71191

GASKET

8

01580-11008

NUT

9

01643-31032

WASHER

G-3

20Y-30-X2271

FINAL COVER GROUP

10

20Y-30-11420

COVER

11

01010-51230

BOLT

12

01643-31232

WASHER

Выбрано товаров: 0