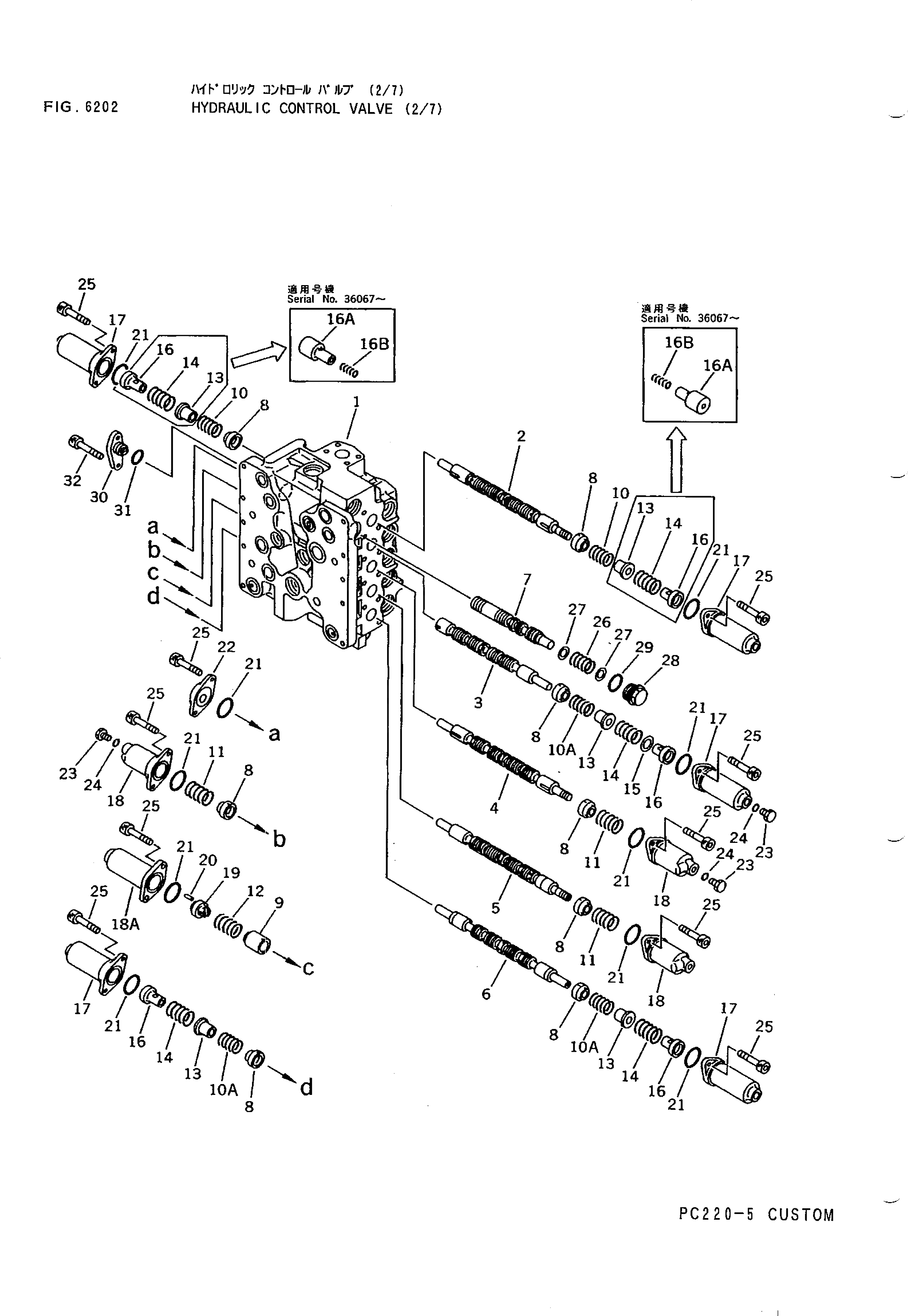
Запчасти Komatsu PC220-5C ГИДРАВЛ УПРАВЛЯЮЩ. КЛАПАН (/7) УПРАВЛ-Е РАБОЧИМ ОБОРУДОВАНИЕМ

Схема запчастей Komatsu PC220-5C - ГИДРАВЛ УПРАВЛЯЮЩ. КЛАПАН (/7) УПРАВЛ-Е РАБОЧИМ ОБОРУДОВАНИЕМ
FIT
1:1
100%

Артикул

Название

Примечание

Количество

|$0

709-79-22502

CONTROL VALVE ASS'Y

|$1

709-79-22501

CONTROL VALVE ASS'Y

|$2

709-79-22500

CONTROL VALVE ASS'Y

|$3

709-79-22400

CONTROL VALVE ASS'Y

|$5

709-75-92900

VALVE ASS'Y

|$6

709-75-92503

VALVE ASS'Y

1

BODY,VALVE

1

BODY,VALVE

2

SPOOL

2

SPOOL

3

SPOOL

4

SPOOL

5

SPOOL

6

SPOOL

7

SPOOL

8

709-74-92110

RETAINER

9

709-74-91990

RETAINER

10

709-74-92180

SPRING

10

709-74-91910

SPRING

10A

709-74-91910

SPRING

11

709-74-92180

SPRING

12

709-74-91840

SPRING

13

709-74-91930

RETAINER

13

709-74-91930

RETAINER

14

709-74-91920

SPRING

14

709-74-91920

SPRING

15

709-74-92360

SHIM, 0.5MM

16

709-74-91940

RETAINER

16

709-74-91940

RETAINER

16A

709-74-92420

RETAINER

16B

709-74-92430

SPRING

17

709-74-91980

CASE

17

709-74-92580

CASE

18

709-74-92120

CASE

18A

709-74-91980

CASE

19

709-74-91970

SLEEVE

20

04022-04008

PIN

21

709-74-92170

O-RING

22

709-74-92590

PLATE

23

07040-11409

PLUG

24

07002-01423

O-RING

25

01252-30820

BOLT

26

709-74-92210

SPRING

27

709-74-92270

WASHER

28

709-74-92230

PLUG

29

07002-03034

O-RING

30

709-74-92260

PLATE

31

07000-02018

O-RING

32

01252-30820

BOLT

Выбрано товаров: 0