Запчасти Komatsu PC220-5C ЭЛЕКТРОПРОВОДКА В КАБИНЕ (ДЛЯ ПАНЕЛЬ СТОЙКА) (ДЛЯ УДЛИНН. РЫЧАГ УПРАВЛ-Е)(№8-) КОМПОНЕНТЫ ДВИГАТЕЛЯ И ЭЛЕКТРИКА

Схема запчастей Komatsu PC220-5C - ЭЛЕКТРОПРОВОДКА В КАБИНЕ (ДЛЯ ПАНЕЛЬ СТОЙКА) (ДЛЯ УДЛИНН. РЫЧАГ УПРАВЛ-Е)(№8-) КОМПОНЕНТЫ ДВИГАТЕЛЯ И ЭЛЕКТРИКА
FIT
1:1
100%

Артикул

Название

Примечание

Количество

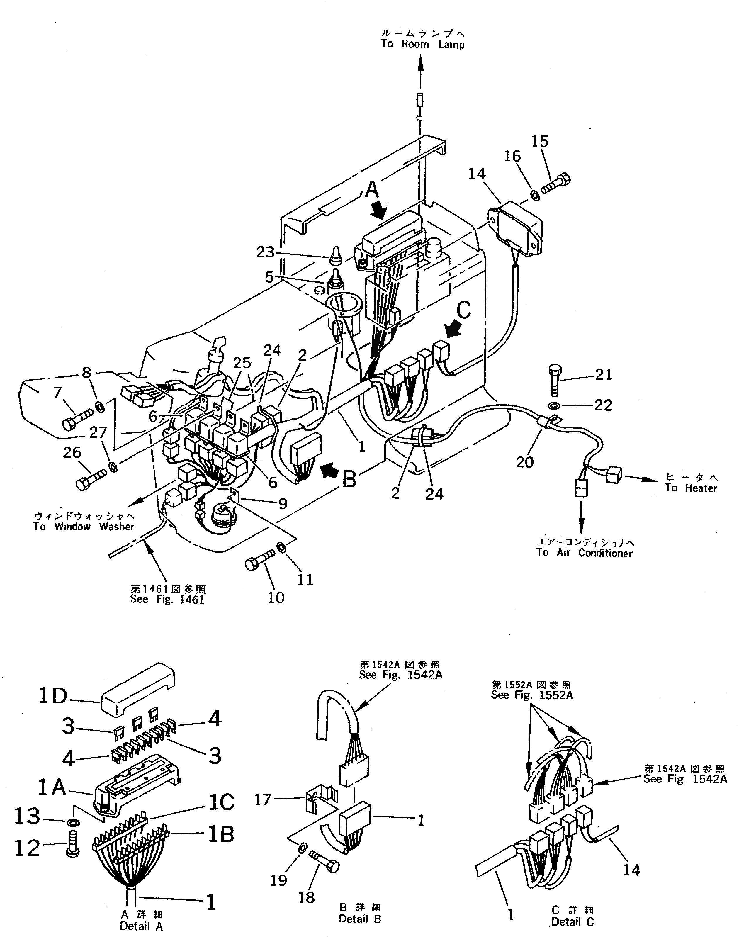
1

20Y-06-17260

WIRING HARNESS

1A

20Y-06-16280

BOX

1B

283-06-16160

TERMINAL

1C

20Y-06-16290

TERMINAL

1D

195-Z11-2290

COVER

2

08020-00000

DIODE

3

205-06-73180

FUSE, 15A

4

283-06-16190

FUSE, 10A

5

23S-06-14410

SWITCH

6

22W-06-13450

RELAY ASS'Y

7

01010-50612

BOLT

8

01643-30623

WASHER

9

203-06-56230

BUZZER ASS'Y

10

01010-50610

BOLT

11

01643-30623

WASHER

12

01220-40616

SCREW

13

01642-20608

WASHER

14

206-06-52130

RESISTOR

15

01010-50820

BOLT

16

01643-30823

WASHER

17

08053-15012

CLIP

18

01010-51018

BOLT

19

01643-31032

WASHER

20

08036-01214

CLIP

21

01010-51225

BOLT

22

01643-31232

WASHER

23

203-06-41680

CAP

24

08034-00519

BAND

25

22W-06-13450

RELAY ASS'Y

26

01010-50612

BOLT

27

01643-30623

WASHER

Выбрано товаров: 31