Запчасти Komatsu PC220-6 НАВЕСНОЕ ОБОРУД-Е ( АКТУАТОР) (SIMPLE) (/)(№7-) ГИДРАВЛИКА

Схема запчастей Komatsu PC220-6 - НАВЕСНОЕ ОБОРУД-Е ( АКТУАТОР) (SIMPLE) (/)(№7-) ГИДРАВЛИКА
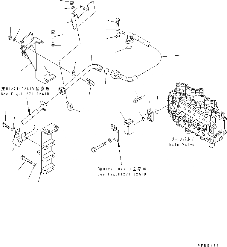
1
2
3
4
5
6
7
8
9
10
10
11
12
13
14
15
16
17
18
19
20
21
22
23
24
25
26
27
28
FIT
1:1
100%

Артикул

Название

Примечание

Количество

1

20Y-62-25110

BLOCK

2

21T-09-11450

O-RING

3

20Y-62-25120

PLATE

4

21T-09-11470

O-RING

5

01252-41025

BOLT

6

208-62-51340

HOSE

7

07371-31049

FLANGE

8

07372-21035

BOLT

9

01643-51032

WASHER

10

07000-13032

O-RING

11

20Y-970-6210

TUBE

12

20Y-970-6251

BRACKET

13

01010-81660

BOLT

14

01643-31645

WASHER

15

206-62-65112

BRACKET

16

01010-81275

BOLT

|16

01010-51275

BOLT

17

01643-31232

WASHER

18

20Y-62-13651

CLAMP

|18

20Y-62-13650

CLAMP

|18

20Y-62-13651

CLAMP

|18

20Y-62-13650

CLAMP

19

01010-81230

BOLT

20

20Y-62-13450

PLATE

21

07283-33450

CLIP

22

01599-01011

NUT

23

01643-31032

WASHER

24

07283-53444

SEAT

25

20Y-970-1981

BRACKET

26

07283-23442

CLIP

27

01599-01011

NUT

28

01643-31032

WASHER

Выбрано товаров: 32