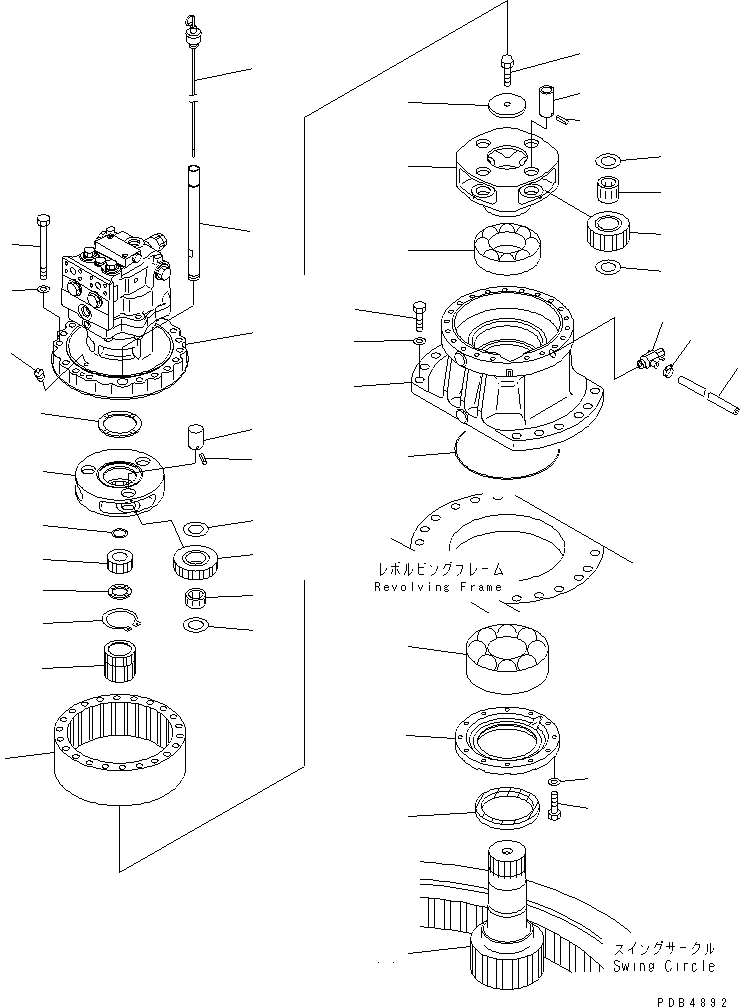
Запчасти Komatsu PC220-6 МЕХАНИЗМ ПОВОРОТА (С ПОВОРОТН. BY-PASS КЛАПАН)(№7-8) ПОВОРОТН. КРУГ И КОМПОНЕНТЫ

Схема запчастей Komatsu PC220-6 - МЕХАНИЗМ ПОВОРОТА (С ПОВОРОТН. BY-PASS КЛАПАН)(№7-8) ПОВОРОТН. КРУГ И КОМПОНЕНТЫ
1
2
3
4
5
6
7
8
9
10
11
12
13
14
15
15
16
17
18
19
20
21
22
23
24
25
26
27
27
28
29
30
31
32
33
34
35
36
37
38
39
40
41
FIT
1:1
100%

Артикул

Название

Примечание

Количество

1

706-75-01170

MOTOR ASS'Y

2

20Y-26-22270

RING

3

07042-30108

PLUG

4

20Y-26-22210

CASE

5

20Y-26-22330

BEARING

6

20Y-26-22340

BEARING

7

20Y-26-22190

COVER

8

01010-81045

BOLT

9

01643-31032

WASHER

10

07012-00125

SEAL

11

20Y-26-21141

SHAFT¤ 15 TEETH

12

20Y-26-22170

CARRIER

13

20Y-26-22140

GEAR¤ 36 TEETH

14

20G-26-11240

BEARING

15

20Y-27-21240

WASHER

16

20Y-26-22250

PIN

17

20Y-27-21280

PIN

18

20Y-26-21240

PLATE

19

112-32-11211

BOLT¤ SHOE

20

20Y-26-22150

GEAR¤ 101 TEETH

21

20Y-26-22130

GEAR¤ 27 TEETH

22

04064-07525

RING

23

20Y-26-22220

THRUST WASHER

24

20Y-26-22160

CARRIER

25

20Y-26-22120

GEAR¤ 39 TEETH

26

20Y-26-21280

BEARING

27

20Y-27-21240

WASHER

28

20Y-26-22240

PIN

29

20Y-27-21280

PIN

30

20Y-26-22110

GEAR¤ 22 TEETH

31

20Y-26-22230

THRUST WASHER

32

195-03-13241

VALVE

33

205-26-71620

TUBE

34

07281-00197

CLAMP

35

01011-81465

BOLT

36

01643-31445

WASHER

37

20Y-26-21340

GAUGE

38

20Y-26-22260

FILLER

39

07000-05240

O-RING

40

01010-62060

BOLT

41

01643-32060

WASHER

Выбрано товаров: 0