Качественные детали и логистика
Оригинальные и аналоговые запчасти с доставкой по России, Казахстану и Беларуси
©2022 PartSell ООО "Система" ИНН 2463123282 ОГРН 1212400004838
Центральный офис: г. Красноярск, Академика Киренского, д.87, пом.4
Телефон: 8 (800) 777-65-74 Email: zakaz@partsell.ru
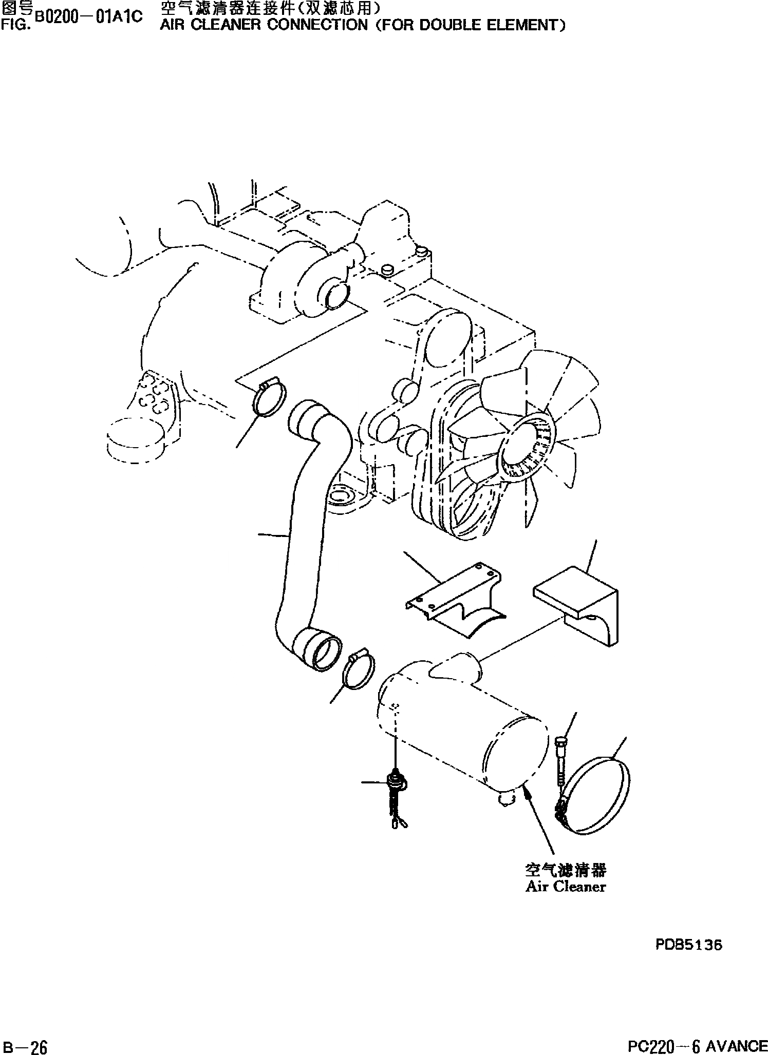
ВОЗДУХООЧИСТИТЕЛЬ СОЕДИН-Е(ДЛЯ ДВОЙН. ЭЛЕМЕНТА)
№
Артикул
Название
Примечание
Количество
1
20Y-54-27551
SEAL
2
6131-11-4520
BANDASS'Y
3
6643-11-4641
BOLT
4
20Y-54-29194
FRAME
5
20Y-01-29211
HOSE
6
07289-00120
CLAMP
7
7861-91-1420
SENSOR
Выбрано товаров: 0