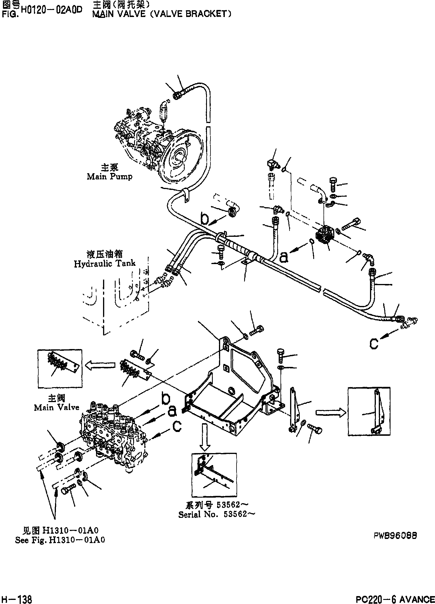
Запчасти Komatsu PC220-6 ОСНОВН. КЛАПАН(КОРПУС КЛАПАНА) H [ГИДРАВЛИКА]

Схема запчастей Komatsu PC220-6 - ОСНОВН. КЛАПАН(КОРПУС КЛАПАНА) H [ГИДРАВЛИКА]
31
32
19
20
37
28
16
21
28
36
22
13
12
34
35
30
29
33
4
5
1
10
11
9
25
9
25
27
26
17
18
16
14
15
24
23
32
31
29
30
2
3
6
6
7
8
1
FIT
1:1
100%

Артикул

Название

Примечание

Количество

1

20Y-62-27412

BRACKET

2

01010-81655

BOLT

3

01643-31645

WASHER

4

01010-81650

BOLT

5

01643-31645

WASHER

6

20Y-62-27192

BRACKET

7

01010-81230

BOLT

8

01643-31232

WASHER

9

20Y-62-21264

BRACKET

10

01010-81235

BOLT

11

01643-31232

WASHER

12

702-21-09147

VALVEASS'Y

13

21T-09-11460

O-RING

14

708-27-12560

BOLT

15

01643-51032

WASHER

16

07371-31049

FLANGE

17

07372-21035

BOLT

18

01643-51032

WASHER

19

21Y-62-17810

ELBOW

20

07002-12434

O-RING

21

07235-10210

ELBOW

22

07002-11423

O-RING

23

07235-10210

ELBOW

24

07002-11423

O-RING

25

07371-31049

FLANGE

26

07372-21035

BOLT

27

01643-51032

WASHER

28

203-62-52280

HOSE900MM

29

20Y-62-22881

HOSE

30

20Y-62-22820

BAND,BLUE

31

20Y-62-D1490

HOSE

32

20Y-62-22810

BAND

33

04434-52712

CLIP

34

01010-81225

BOLT

35

01643-31232

WASHER

36

08034-00519

BAND,YELLOW

37

04434-51512

CLIP

Выбрано товаров: 0