Качественные детали и логистика
Оригинальные и аналоговые запчасти с доставкой по России, Казахстану и Беларуси
©2022 PartSell ООО "Система" ИНН 2463123282 ОГРН 1212400004838
Центральный офис: г. Красноярск, Академика Киренского, д.87, пом.4
Телефон: 8 (800) 777-65-74 Email: zakaz@partsell.ru
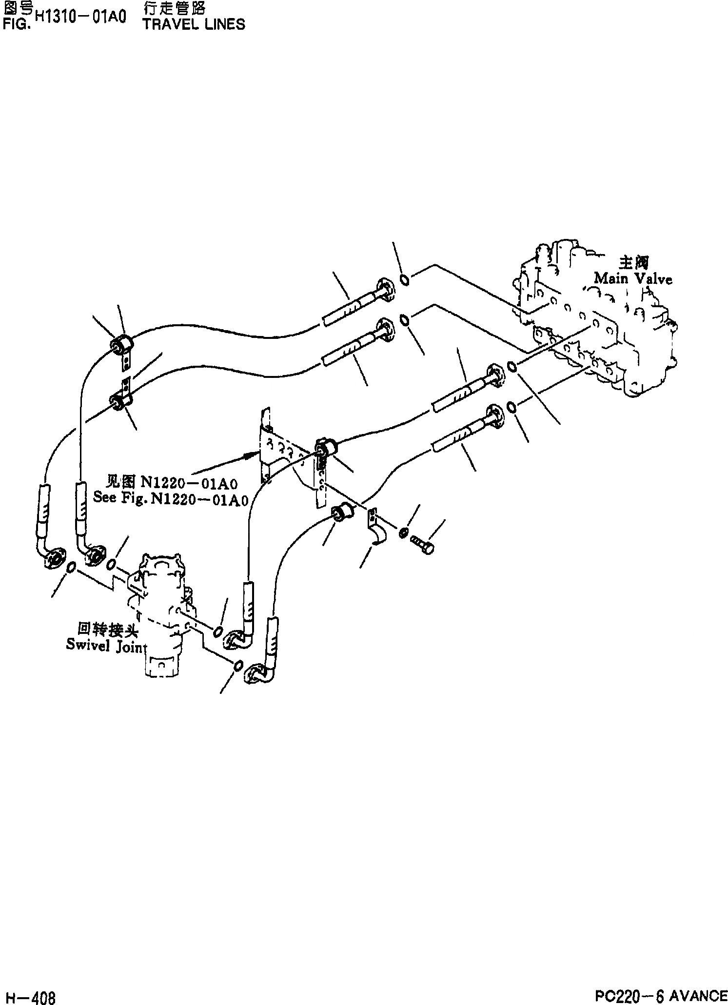
ЛИНИЯ ХОДА
№
Артикул
Название
Примечание
Количество
1
20Y-62-21312
HOSE
2
07000-13025
O-RING
3
21T-09-11460
4
20Y-62-21321
5
6
7
20Y-62-21362
BRACKET
8
07095-00628
CUSHION
9
01010-51025
BOLT
10
01643-31032
WASHER
Выбрано товаров: 0