Запчасти Komatsu PC220-6 МАСЛ. ЩУП ДВИГАТЕЛЬ SADE-C ДВИГАТЕЛЬ NO. И UP]

Схема запчастей Komatsu PC220-6 - МАСЛ. ЩУП ДВИГАТЕЛЬ SADE-C ДВИГАТЕЛЬ NO. И UP]
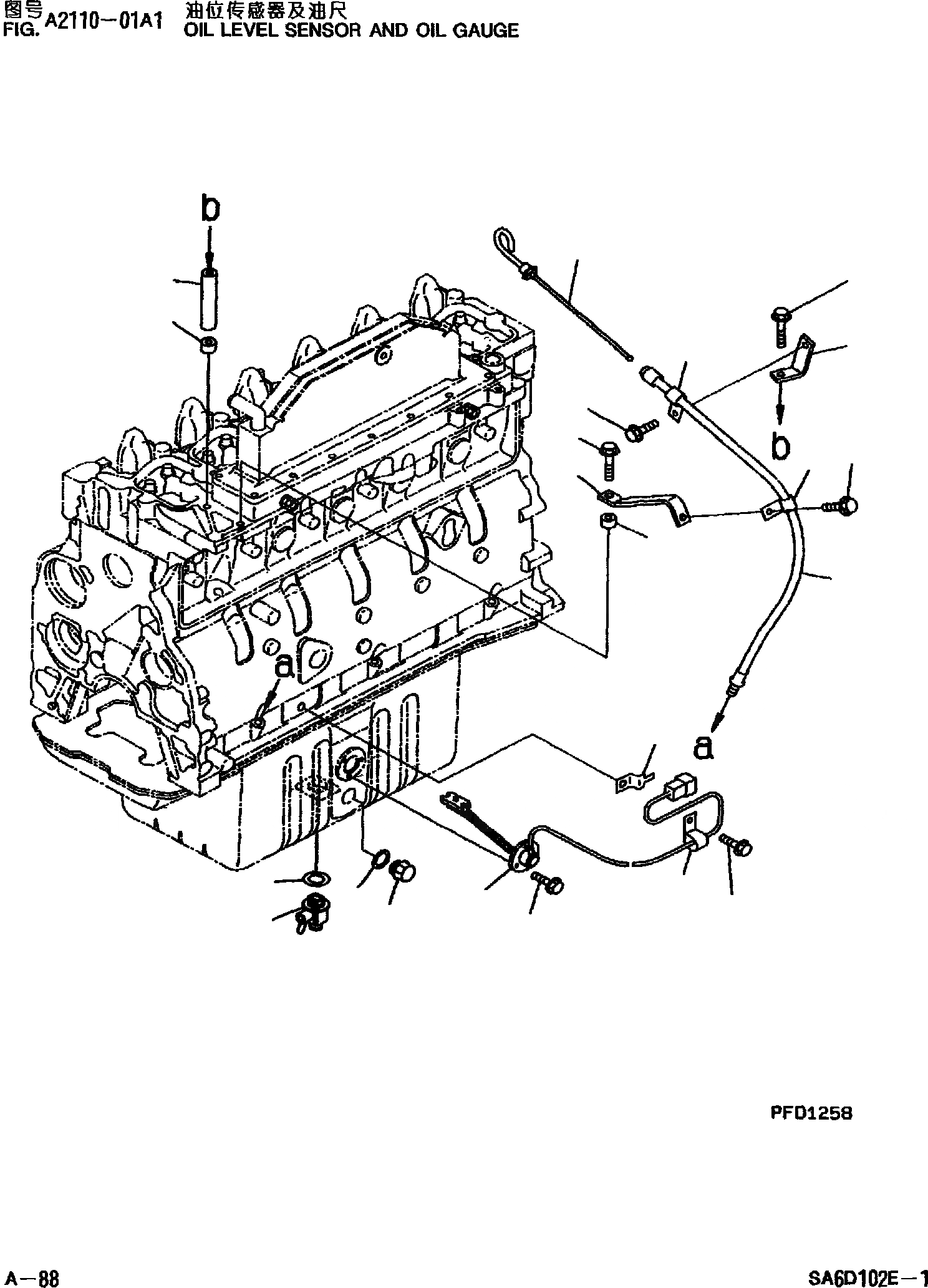
6
5
8
9
10
11
1
7
3
4
12
13
2
21
22
20
19
18
17
16
15
14
FIT
1:1
100%

Артикул

Название

Примечание

Количество

1

6732-21-5641

GAUGE

1

6732-21-5640

GAUGE

2

6732-21-5490

GUIDE

3

01436-01020

BOLT

4

6735-21-5220

BRACKET

5

6150-71-7130

COLLAR

6

6131-12-5920

SPACER

7

04434-51210

CLIP

8

01435-21014

BOLT

9

01435-01035

BOLT

10

6736-21-5210

BRACKET

11

6131-12-5920

SPACER

12

04434-51210

CLIP

13

01435-21014

BOLT

14

6732-21-5610

VALVE

15

07005-02216

GASKET

16

6204-21-5180

PLUG,DRAIN

17

07005-02216

GASKET

18

7861-92-4210

SENSORLEVEL

19

01435-20612

BOLT

20

01435-20812

BOLT

21

08053-01510

CLIP

22

08036-31210

CLIP

Выбрано товаров: 23