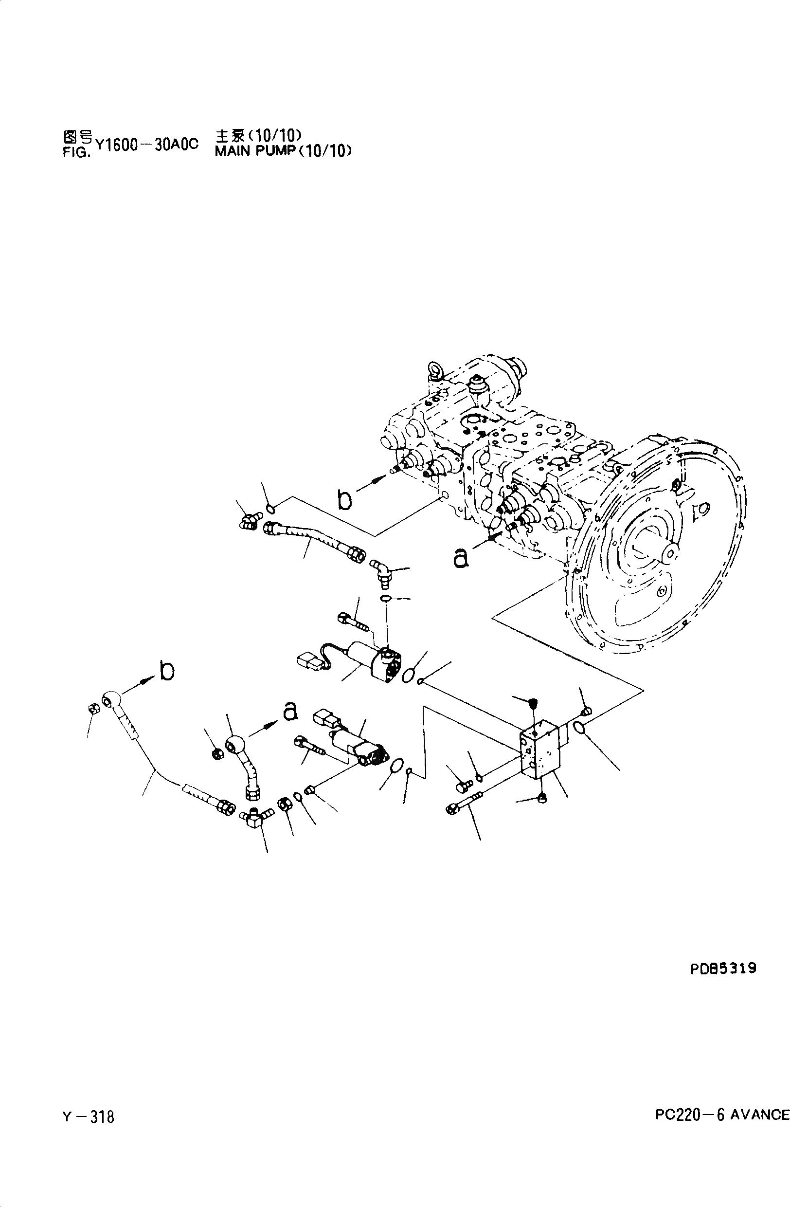
Запчасти Komatsu PC220-6 ОСНОВН. НАСОС(/) Y [РЕМ. КОМПЛЕКТЫ]

Схема запчастей Komatsu PC220-6 - ОСНОВН. НАСОС(/) Y [РЕМ. КОМПЛЕКТЫ]
10
9
14
8
9
10
15
16
3
3
1
1
12
11
11
6
5
3
2
4
7
16
15
19
20
18
17
8
13
FIT
1:1
100%

Артикул

Название

Примечание

Количество

|$1

708-2L-00461

PUMPASS'Y

1

702-21-07010

SOLENOIDVALVEASS'Y, SOLENOID

|$4

708-2L-04290

BLOCKASS'Y

2

708-2L-28911

BLOCK

3

706-86-51180

PLUG

4

708-2L-23970

O-RING

5

07040-11007

PLUG

6

708-2L-23920

O-RING

7

01252-30865

BOLT

8

203-60-62220

BOLT

9

07235-10210

ELBOW

10

708-2L-23950

O-RING

11

01582-11008

NUT

12

708-2L-29410

HOSE

13

708-2L-29420

HOSE

14

708-2L-29430

HOSE

15

708-2L-23960

O-RING

16

07000-B2011

O-RING

17

708-2L-29450

ELBOW

18

01583-51408

NUT

19

708-2L-29460

ORIFICE

20

708-2L-23950

O-RING

Выбрано товаров: 22