Запчасти Komatsu PC220-6 ОСНОВН. КЛАПАН(-ACYUAYOR)(/) Y [РЕМ. КОМПЛЕКТЫ]

Схема запчастей Komatsu PC220-6 - ОСНОВН. КЛАПАН(-ACYUAYOR)(/) Y [РЕМ. КОМПЛЕКТЫ]
4
11
3
2
8
9
7
6
1
15
14
10
17
18
16
12
5
9
8
13
FIT
1:1
100%

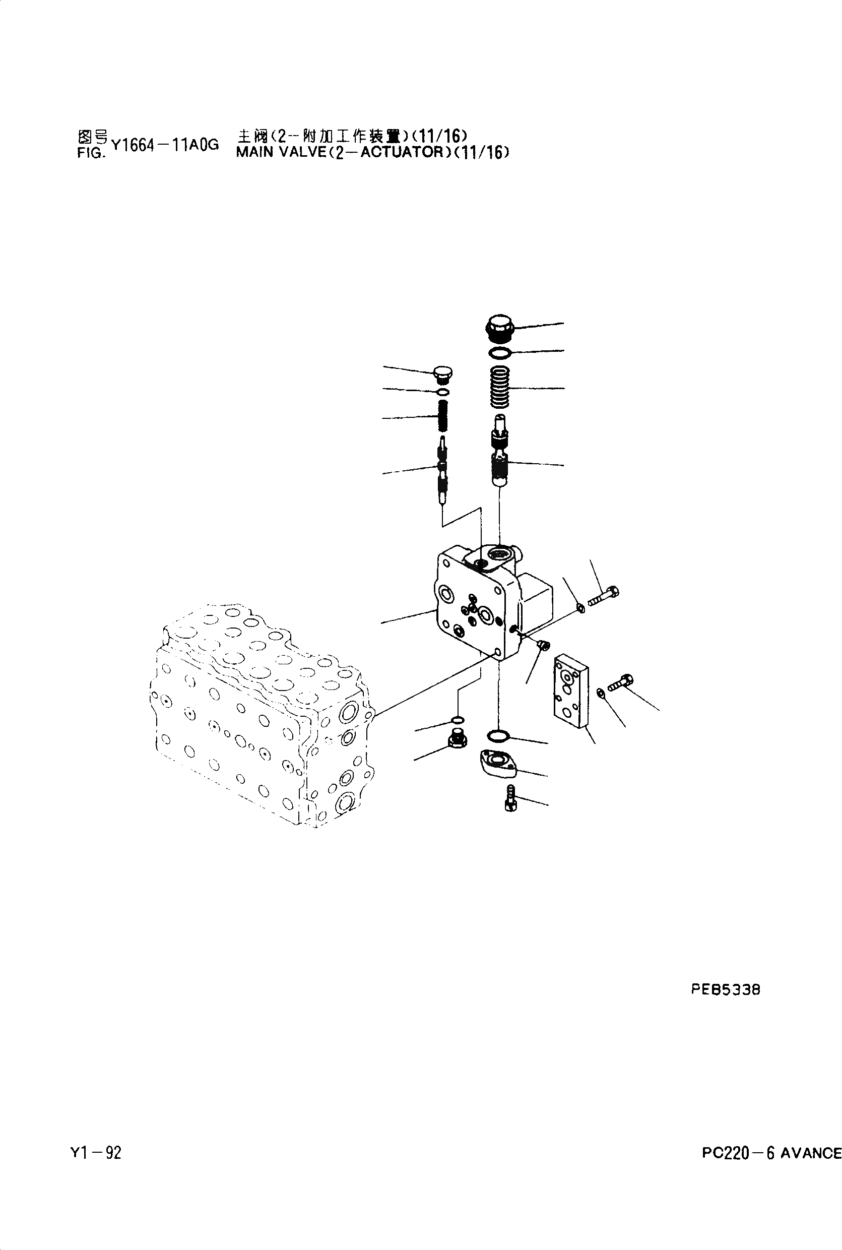
Артикул

Название

Примечание

Количество

|$1

723-48-13702

CONTROLVALVEASS'Y

|$3

723-40-70100

VALVEASS'Y

1

BODY

2

SPOOL

3

723-40-71160

SPRING

4

723-40-71140

PLUG

5

723-40-71150

PLATE

6

SPOOL

7

723-40-71170

SPRING

8

07040-11812

PLUG

9

07002-11823

O-RING

10

PLUG

11

07002-13634

O-RING

12

07000-13032

O-RING

13

01252-30830

BOLT

14

01010-61460

BOLT

15

01643-31445

WASHER

16

723-46-15280

PLATE

17

01010-81040

BOLT

18

01643-31032

WASHER

Выбрано товаров: 20