Запчасти Komatsu PC220-6 ТОПЛИВН. ФИЛЬТР. КРЕПЛЕНИЕ И ПАТРУБКИ ДВИГАТЕЛЬ SADE-C ДВИГАТЕЛЬ NO. И UP]

Схема запчастей Komatsu PC220-6 - ТОПЛИВН. ФИЛЬТР. КРЕПЛЕНИЕ И ПАТРУБКИ ДВИГАТЕЛЬ SADE-C ДВИГАТЕЛЬ NO. И UP]
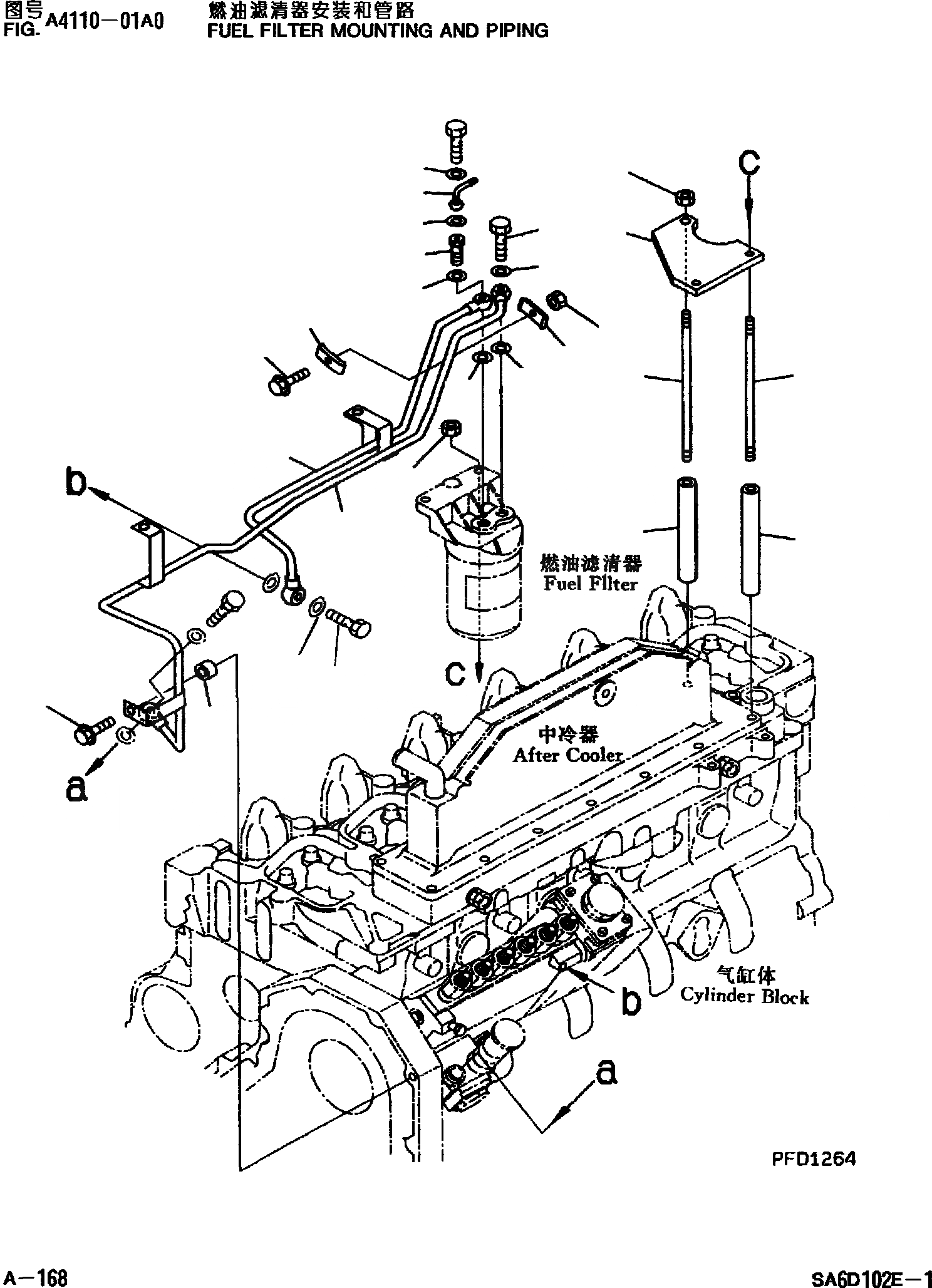
8
9
21
20
7
12
6
18
17
14
14
13
16
15
16
10
11
1
6
11
17
19
5
3
4
2
FIT
1:1
100%

Артикул

Название

Примечание

Количество

1

6735-71-6710

PLATE

2

6736-71-6720

SPACER

3

6736-71-6740

STUD

4

6736-71-6730

SPACER

5

6735-71-6740

STUD

6

01584-00806

NUT

7

6736-71-5481

TUBE

8

01435-20830

BOLT

9

6131-12-5920

SPACER

10

07206-30812

BOLT

11

6735-71-5870

GASKET

12

6736-71-5490

TUBE

13

6736-71-5820

BOLT

14

6735-71-5870

GASKET

15

6732-71-5780

JOINT

16

07005-00812

GASKET

17

6121-55-8140

CLAMP

18

01435-00620

BOLT

19

01580-00605

NUT

20

DK131401-0020

BOLT

21

DK029341-4130

GASKET

Выбрано товаров: 0