Качественные детали и логистика
Оригинальные и аналоговые запчасти с доставкой по России, Казахстану и Беларуси
©2022 PartSell ООО "Система" ИНН 2463123282 ОГРН 1212400004838
Центральный офис: г. Красноярск, Академика Киренского, д.87, пом.4
Телефон: 8 (800) 777-65-74 Email: zakaz@partsell.ru
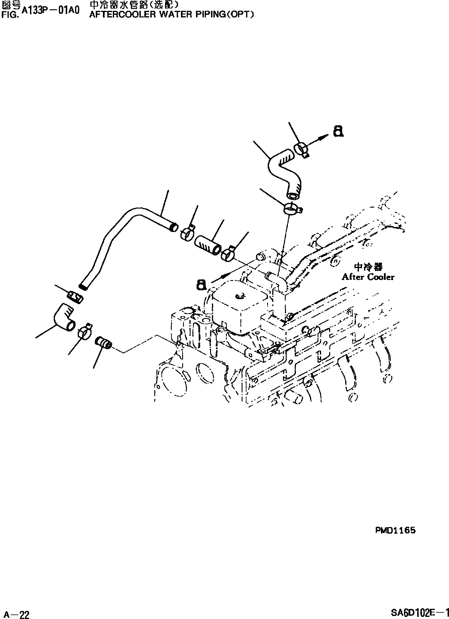
ПОСЛЕОХЛАДИТЕЛЬ ВОДН. ГИДРОЛИНИЯ(ОПЦИОНН.)
№
Артикул
Название
Примечание
Количество
1
6736-61-5110
COUPLING
2
07281-00289
CLAMP
07281-00359
6736-61-5120
3
6736-61-5130
HOSE
4
6736-61-5140
5
6736-11-4450
TUBE
6
6736-11-4440
Выбрано товаров: 0