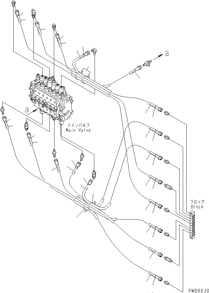
Запчасти Komatsu PC220-6Z ОСНОВН. ЛИНИЯ PPC (КЛАПАН PPC LINSE)(№-) ГИДРАВЛИКА

Схема запчастей Komatsu PC220-6Z - ОСНОВН. ЛИНИЯ PPC (КЛАПАН PPC LINSE)(№-) ГИДРАВЛИКА
1
1
2
2
3
3
4
4
5
5
6
6
7
7
8
9
9
10
10
11
11
11
11
12
12
13
13
14
14
15
15
16
16
17
17
FIT
1:1
100%

Артикул

Название

Примечание

Количество

1

203-62-52310

HOSE, 700MM

2

203-62-62632

HOSE, 450MM

3

20Y-62-22672

HOSE, 355MM

4

20Y-62-22782

HOSE, 650MM

5

20Y-62-22790

BAND, RED

6

20Y-62-22830

BAND, WHITE

7

20Y-62-22840

BAND, BLACK

8

08034-00536

BAND

9

20Y-62-22772

HOSE, 700MM

10

20Y-62-22662

HOSE, 470MM

11

20Y-62-22722

HOSE, 535MM

12

20Y-62-23832

HOSE, 800MM

13

20Y-62-22820

BAND, BLUE

14

20Y-62-22830

BAND, WHITE

15

20Y-62-22850

BAND, GREEN

16

20Y-62-22860

BAND, BROWN

17

08034-00536

BAND

Выбрано товаров: 17