Запчасти Komatsu PC220-6Z РУКОЯТЬ (.M) (ГРЕЙФЕРН. СИСТЕМА ТРУБ ЦИЛИНДРА) (ДЛЯ ГРЕЙФЕРН. КОВШ) РАБОЧЕЕ ОБОРУДОВАНИЕ

Схема запчастей Komatsu PC220-6Z - РУКОЯТЬ (.M) (ГРЕЙФЕРН. СИСТЕМА ТРУБ ЦИЛИНДРА) (ДЛЯ ГРЕЙФЕРН. КОВШ) РАБОЧЕЕ ОБОРУДОВАНИЕ
FIT
1:1
100%

Артикул

Название

Примечание

Количество

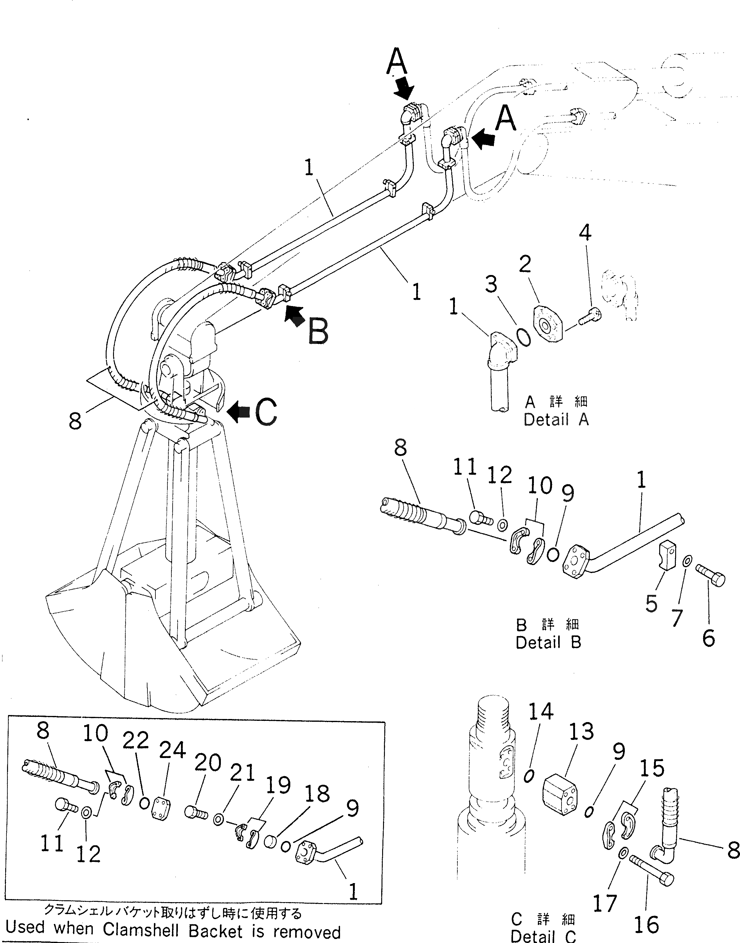
1

206-931-5220

TUBE

2

20Y-931-1230

PLATE

3

07000-13030

O-RING

4

01252-41020

BOLT

5

205-931-6130

CLAMP

6

01010-81250

BOLT

6

01010-51250

BOLT

7

01643-31232

WASHER

8

20Y-931-1240

HOSE

9

07000-13032

O-RING

10

07371-31049

FLANGE

11

07372-21030

BOLT

12

01643-51032

WASHER

13

205-931-3150

FLANGE

14

07000-13035

O-RING

15

07371-31049

FLANGE

16

205-931-6140

BOLT

17

01643-51032

WASHER

18

07378-11000

HEAD

19

07371-31049

FLANGE

20

07372-21030

BOLT

21

01643-51032

WASHER

22

07000-13032

O-RING

23

07000-13032

O-RING

24

07379-01044

FLANGE

Выбрано товаров: 25