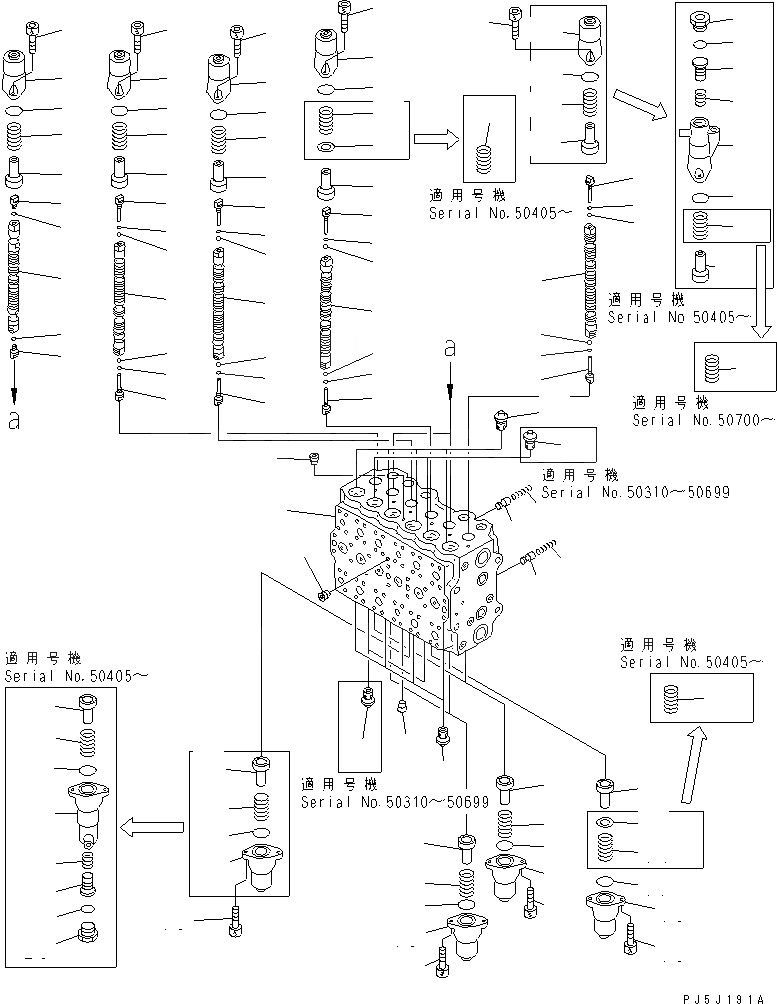
Запчасти Komatsu PC220-6Z ОСНОВН. КЛАПАН (-АКТУАТОР) (/)(№-8) ОСНОВН. КОМПОНЕНТЫ И РЕМКОМПЛЕКТЫ

Схема запчастей Komatsu PC220-6Z - ОСНОВН. КЛАПАН (-АКТУАТОР) (/)(№-8) ОСНОВН. КОМПОНЕНТЫ И РЕМКОМПЛЕКТЫ
1
2
3
4
5
6
7
7
7
7
7
7
7
7
8
8
9
9
9
9
9
9
9
9
9
9
10
10
10
10
10
10
10
10
11
11
11
11
11
11
11
11
11
12
12
12
12
13
13
13
13
13
13
14
14
14
14
15
15
16
16
16
16
16
16
16
16
16
17
17
17
17
17
17
17
17
17
17
17
18
18
18
18
18
18
18
18
18
19
19
19
20
20
21
21
22
22
23
23
24
24
25
26
27
27
28
28
29
29
30
30
FIT
1:1
100%

Артикул

Название

Примечание

Количество

|$3

723-48-11501

VALVE ASS'Y

|$4

723-48-11500

VALVE ASS'Y

|$5

723-48-11105

VALVE ASS'Y

1

BLOCK,VALVE

2

SPOOL

2

SPOOL

2

SPOOL

3

SPOOL

4

SPOOL

4

SPOOL

5

SPOOL

5

SPOOL

5

SPOOL

6

SPOOL

6

SPOOL

6

SPOOL

7

723-46-15130

PLUG

8

723-46-15140

PLUG

9

07002-10823

O-RING

10

708-7T-16460

BALL

11

723-46-15120

RETAINER

11

723-46-15120

RETAINER

12

723-46-14110

SPRING

12

723-46-14110

SPRING

12

723-46-14110

SPRING

13

723-46-14270

SPRING

13

723-46-14170

SPRING

13

723-46-14170

SPRING

14

723-46-14131

SPRING

14

723-46-14131

SPRING

15

723-46-15250

SHIM

16

723-46-15111

CASE

16

723-46-15110

CASE

16

723-46-15110

CASE

17

07430-71380

O-RING

18

01252-30820

BOLT

19

PLUG

19

PLUG

20

723-46-15150

VALVE

21

723-46-14150

SPRING

22

723-46-41110

VALVE

23

723-46-41120

VALVE

24

723-46-15410

CASE

25

723-46-15530

PISTON

26

723-46-15540

PISTON

26

723-46-15520

PISTON

27

723-46-15420

RETAINER

28

723-46-15450

PLUG

29

07002-03034

O-RING

30

723-46-15440

SPRING

Выбрано товаров: 50