Запчасти Komatsu PC220-7-AA ОСНОВН. КОНСТРУКЦИЯ (ЭЛЕКТР.)(№-) КАБИНА ОПЕРАТОРА И СИСТЕМА УПРАВЛЕНИЯ

Схема запчастей Komatsu PC220-7-AA - ОСНОВН. КОНСТРУКЦИЯ (ЭЛЕКТР.)(№-) КАБИНА ОПЕРАТОРА И СИСТЕМА УПРАВЛЕНИЯ
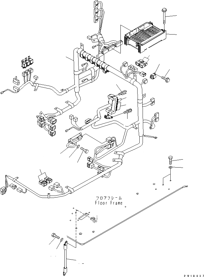
1
2
3
4
5
6
6A
6B
7
8
9
10
11
11
12
13
14
15
16
FIT
1:1
100%

Артикул

Название

Примечание

Количество

1

7835-26-1008

CONTROLLER

|1

7835-26-1007

CONTROLLER

|1

7835-26-1006

CONTROLLER

|1

7835-26-1005

CONTROLLER¤GP

|1

7835-26-1004

CONTROLLER

|1

7835-26-1003

CONTROLLER¤GP

|1

7835-26-1002

CONTROLLER

2

01435-00880

BOLT

3

7861-94-3000

RESISTOR

4

01010-80820

BOLT

5

01643-30823

WASHER

6

20Y-06-31110

WIRING HARNESS

6A

08041-01000

FUSE¤ 10A

6B

08041-02000

FUSE¤ 20A

7

01023-60620

SCREW

8

01023-60620

SCREW

9

569-06-61960

RELAY

10

01435-00612

BOLT

11

8233-06-3350

DIODE

12

08028-43030

CABLE

13

01010-81020

BOLT

14

01643-31032

WASHER

15

01010-81020

BOLT

16

01643-31032

WASHER

Выбрано товаров: 24