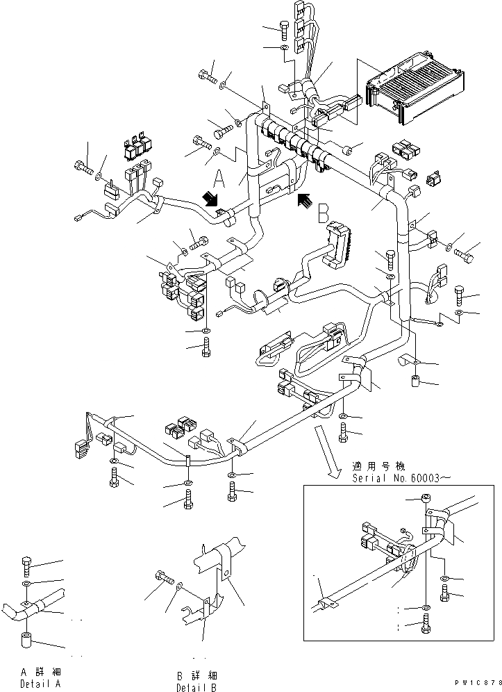
Запчасти Komatsu PC220-7-AA ПОЛ FRANE (КРЕПЛЕНИЕ)(№-) КАБИНА ОПЕРАТОРА И СИСТЕМА УПРАВЛЕНИЯ

Схема запчастей Komatsu PC220-7-AA - ПОЛ FRANE (КРЕПЛЕНИЕ)(№-) КАБИНА ОПЕРАТОРА И СИСТЕМА УПРАВЛЕНИЯ
1
1
2
3
4
5
6
6
7
8
9
9
10
10
11
11
11A
11B
11C
12
13
14
15
16
17
18
19
20
21
22
22
23
24
25
26
27
28
28
28
29
30
31
32
33
34
35
36
37
38
39
40
41
42
43
44
45
46
47
48
49
50
51
FIT
1:1
100%

Артикул

Название

Примечание

Количество

1

04434-51410

CLIP

2

01010-81020

BOLT

3

01643-31032

WASHER

4

01010-81016

BOLT

5

01643-31032

WASHER

6

04434-51710

CLIP

7

01010-81016

BOLT

8

01643-31032

WASHER

9

04434-52310

CLIP

10

01010-81016

BOLT

|10

01010-81016

BOLT

11

01643-31032

WASHER

|11

01643-31032

WASHER

11A

103-21-21260

BOSS

11B

01010-81030

BOLT

11C

01643-31032

WASHER

12

04434-52310

CLIP

13

04434-51910

CLIP

14

01010-D1050

BOLT

15

01643-71032

WASHER

16

6202-83-6760

SPACER

17

01010-81020

BOLT

18

01643-31032

WASHER

19

04434-53211

CLIP

20

01010-81020

BOLT

21

01643-31032

WASHER

22

04434-53411

CLIP

23

01010-81020

BOLT

24

01643-31032

WASHER

25

04434-53411

CLIP

26

01010-81020

BOLT

27

01643-31032

WASHER

28

04434-53411

CLIP

29

01010-81020

BOLT

30

01643-31032

WASHER

31

103-21-21260

BOSS

32

01010-81030

BOLT

33

01643-31032

WASHER

34

04434-51910

CLIP

|34

04434-51710

CLIP

35

01010-81030

BOLT

36

01643-31032

WASHER

37

04434-51910

CLIP

38

01010-81020

BOLT

39

01643-31032

WASHER

40

04434-51910

CLIP

41

6202-83-6760

SPACER

42

01010-D1050

BOLT

43

01643-71032

WASHER

44

04434-52310

CLIP

45

01010-81016

BOLT

46

01643-31032

WASHER

47

04434-52310

CLIP

48

01010-81016

BOLT

49

01643-31032

WASHER

50

08034-00519

BAND

51

08034-20519

BAND

Выбрано товаров: 57