Запчасти Komatsu PC220-7-AA ОСНОВН. КЛАПАН (-АКТУАТОР) (/) ОСНОВН. КОМПОНЕНТЫ И РЕМКОМПЛЕКТЫ

Схема запчастей Komatsu PC220-7-AA - ОСНОВН. КЛАПАН (-АКТУАТОР) (/) ОСНОВН. КОМПОНЕНТЫ И РЕМКОМПЛЕКТЫ
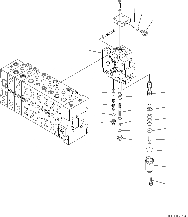
1
2
3
4
5
6
7
8
9
10
11
12
13
14
15
16
17
18
19
20
21
FIT
1:1
100%

Артикул

Название

Примечание

Количество

|1

723-48-20502

VALVE ASS'Y

|1

723-48-20501

VALVE ASS'Y

|1

723-48-20500

VALVE ASS'Y

|1

723-40-71103

VALVE ASS'Y

|1

723-40-71102

VALVE ASS'Y

1

BODY

2

SPOOL

3

723-40-71330

RETAINER

4

723-40-71340

SPRING

5

01252-60816

BOLT

6

723-46-15111

CASE

7

723-40-71350

RETAINER

8

07430-71380

O-RING

9

01252-60820

BOLT

10

SPOOL

|10

SPOOL

11

723-40-71440

SPRING

12

PLUG

13

709-74-91860

PLUG

14

07002-12434

O-RING

15

SPOOL

16

723-40-71390

SPRING

17

723-40-61150

PLUG

18

07002-12434

O-RING

19

VALVE ASS'Y,RELIEF

20

702-16-53920

O-RING

21

07002-11623

O-RING

Выбрано товаров: 0