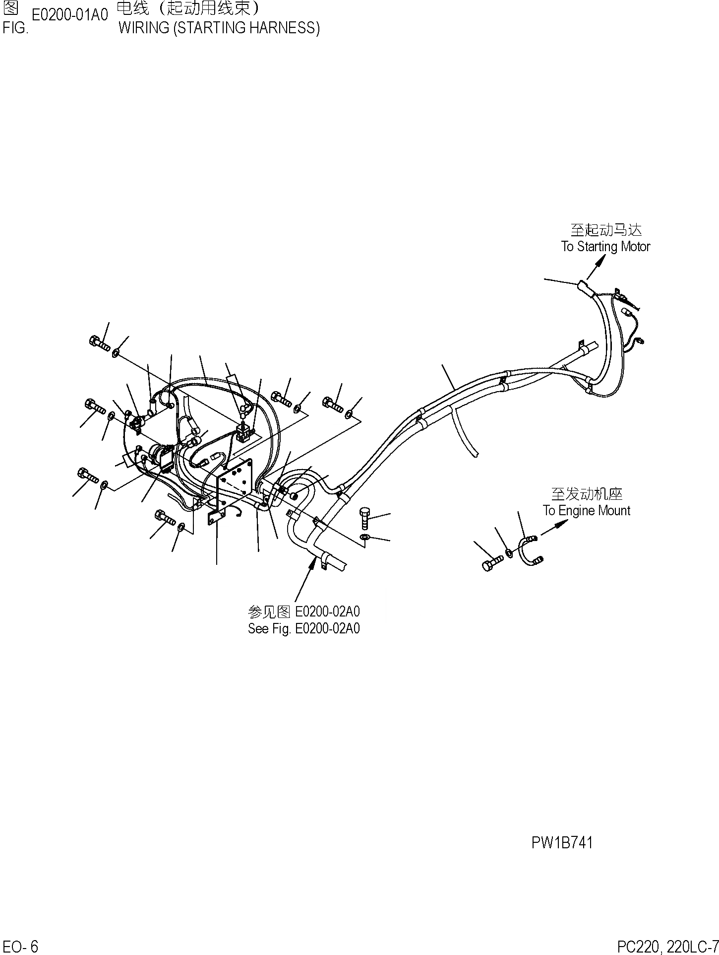
Запчасти Komatsu PC220-7 ПРОВОДКА(ПРОВОДКА СТАРТЕРА) ЭЛЕКТРИКА]

Схема запчастей Komatsu PC220-7 - ПРОВОДКА(ПРОВОДКА СТАРТЕРА) ЭЛЕКТРИКА]
21
22
29
28
30
25
20
23
24
13
14
1
2
17
19
18
15
16
10
11
12
10
11
7
9
8
4
6
5
27
26
3
28
31
2
FIT
1:1
100%

Артикул

Название

Примечание

Количество

1

20Y-06-31620

CABLE

2

08038-00035

CAP

3

08038-00519

CAP

4

08088-30000

BATTERY RELAY

5

01010-80830

BOLT

6

01643-30823

WASHER

7

20Y-06-31640

BRACKET

8

01010-81225

BOLT

9

01643-31232

WASHER

10

04434-52512

CLIP

11

04434-51912

CLIP

12

144-947-3490

SPACER

13

01010-81245

BOLT

14

01643-31232

WASHER

15

01010-81225

BOLT

16

01643-31232

WASHER

17

08028-43030

CABLE

18

01010-81020

BOLT

19

01643-31032

WASHER

20

600-815-8941

SAFE RELAY

21

01010-80820

BOLT

22

01643-30823

WASHER

23

01010-80820

BOLT

24

01643-30823

WASHER

25

08038-00519

CAP

26

01010-80620

BOLT

27

01643-30623

WASHER

28

08038-00519

CAP

29

08038-06031

CAP

30

20Y-06-22872

CABLE

31

600-815-2170

RELAY,HEATER

Выбрано товаров: 31