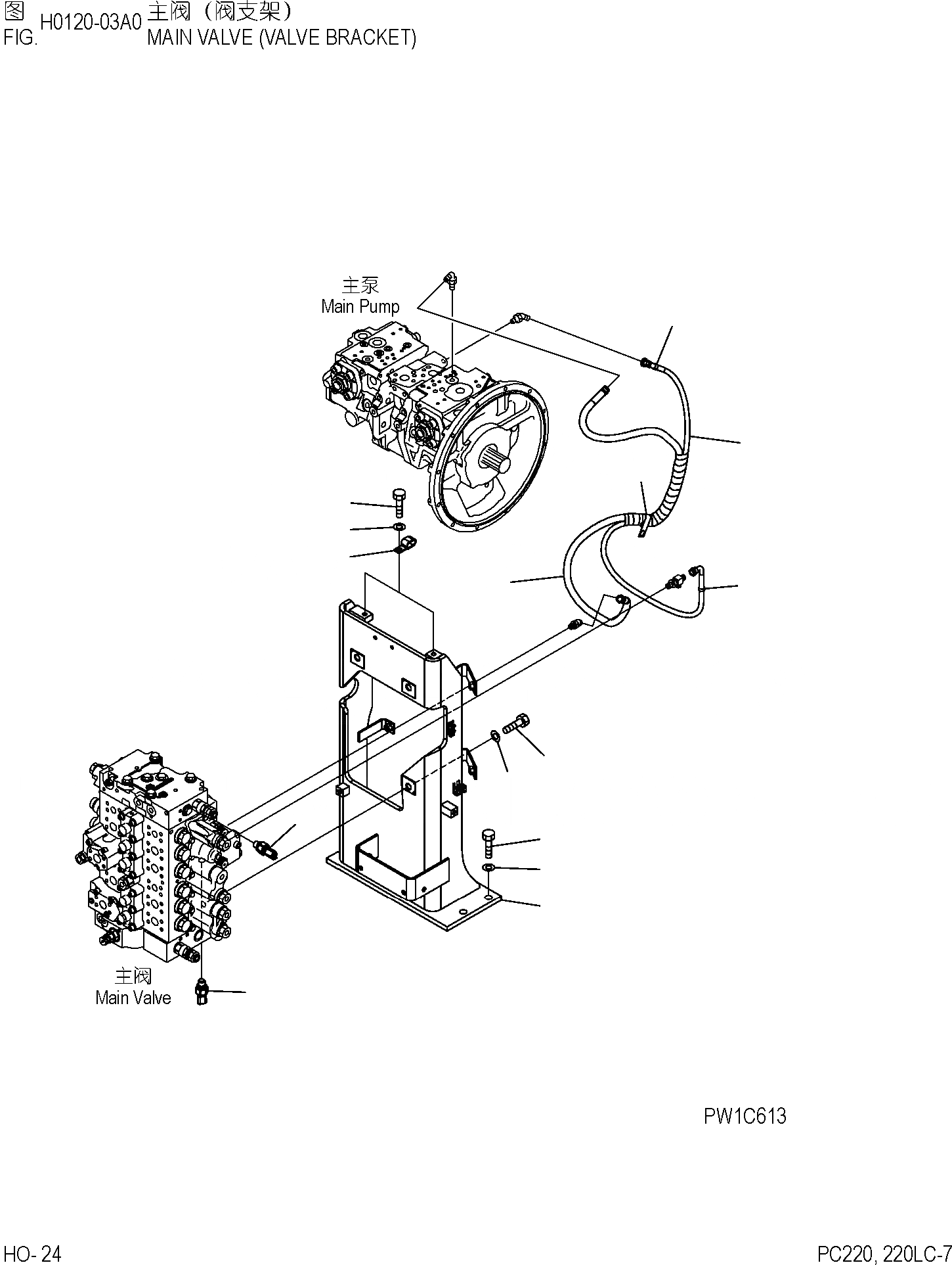
Запчасти Komatsu PC220-7 ОСНОВН. КЛАПАН (КОРПУС КЛАПАНА) ГИДРАВЛИКА]

Схема запчастей Komatsu PC220-7 - ОСНОВН. КЛАПАН (КОРПУС КЛАПАНА) ГИДРАВЛИКА]
8
6
9
7
8
12
13
11
4
5
2
3
1
10
10
FIT
1:1
100%

Артикул

Название

Примечание

Количество

1

20Y-62-41112

BRACKET

2

01010-81640

BOLT

3

01643-31645

WASHER

4

01010-81645

BOLT

5

01643-31645

WASHER

6

02761-00217

HOSE

7

02777-00218

HOSE

8

20Y-62-22810

BAND, YELLOW

9

04435-51612

CLIP

10

7861-93-1650

SENSOR

11

04435-51512

CLIP

12

01010-81225

BOLT

13

01643-31232

WASHER

Выбрано товаров: 13