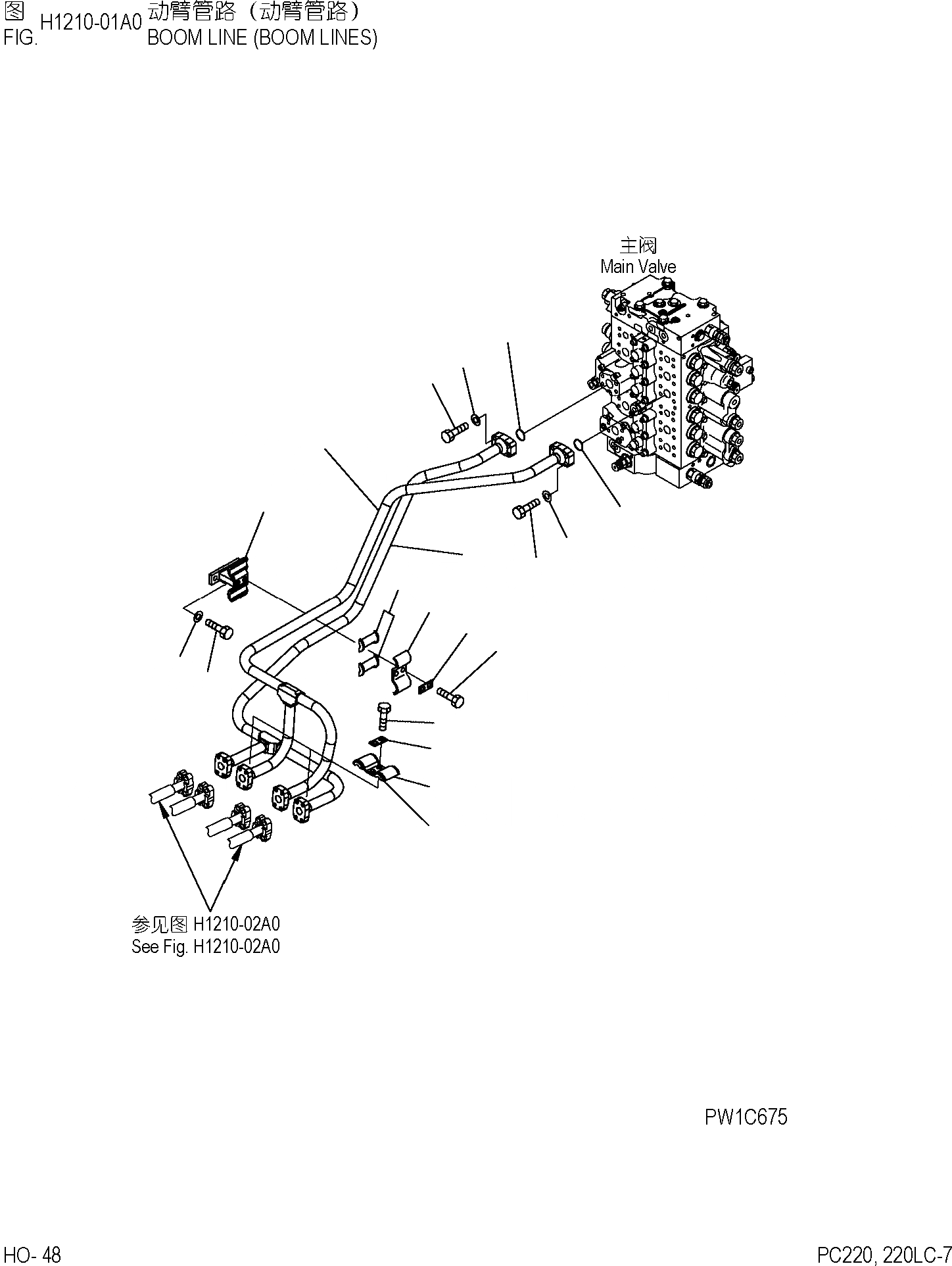
Запчасти Komatsu PC220-7 ГИДРОЛИНИЯ СТРЕЛЫ (ГИДРОЛИНИЯ СТРЕЛЫ) ГИДРАВЛИКА]

Схема запчастей Komatsu PC220-7 - ГИДРОЛИНИЯ СТРЕЛЫ (ГИДРОЛИНИЯ СТРЕЛЫ) ГИДРАВЛИКА]
1
2
4
5
3
6
7
8
9
10
11
13
12
15
14
14
15
12
13
FIT
1:1
100%

Артикул

Название

Примечание

Количество

1

20Y-62-41140

TUBE

2

20Y-62-41150

TUBE

3

21T-09-11460

O-RING

4

07372-21040

BOLT

5

01643-51032

WASHER

6

21T-09-11460

O-RING

7

07372-21040

BOLT

8

01643-51032

WASHER

9

206-62-71180

CLAMP

10

01010-81235

BOLT

11

01643-31232

WASHER

|$12

20Y-62-13230

CLAMP

12

20Y-62-13190

CLAMP

13

20Y-62-13760

SEAT

14

01010-81235

BOLT

15

20Y-62-13450

PLATE

Выбрано товаров: 16