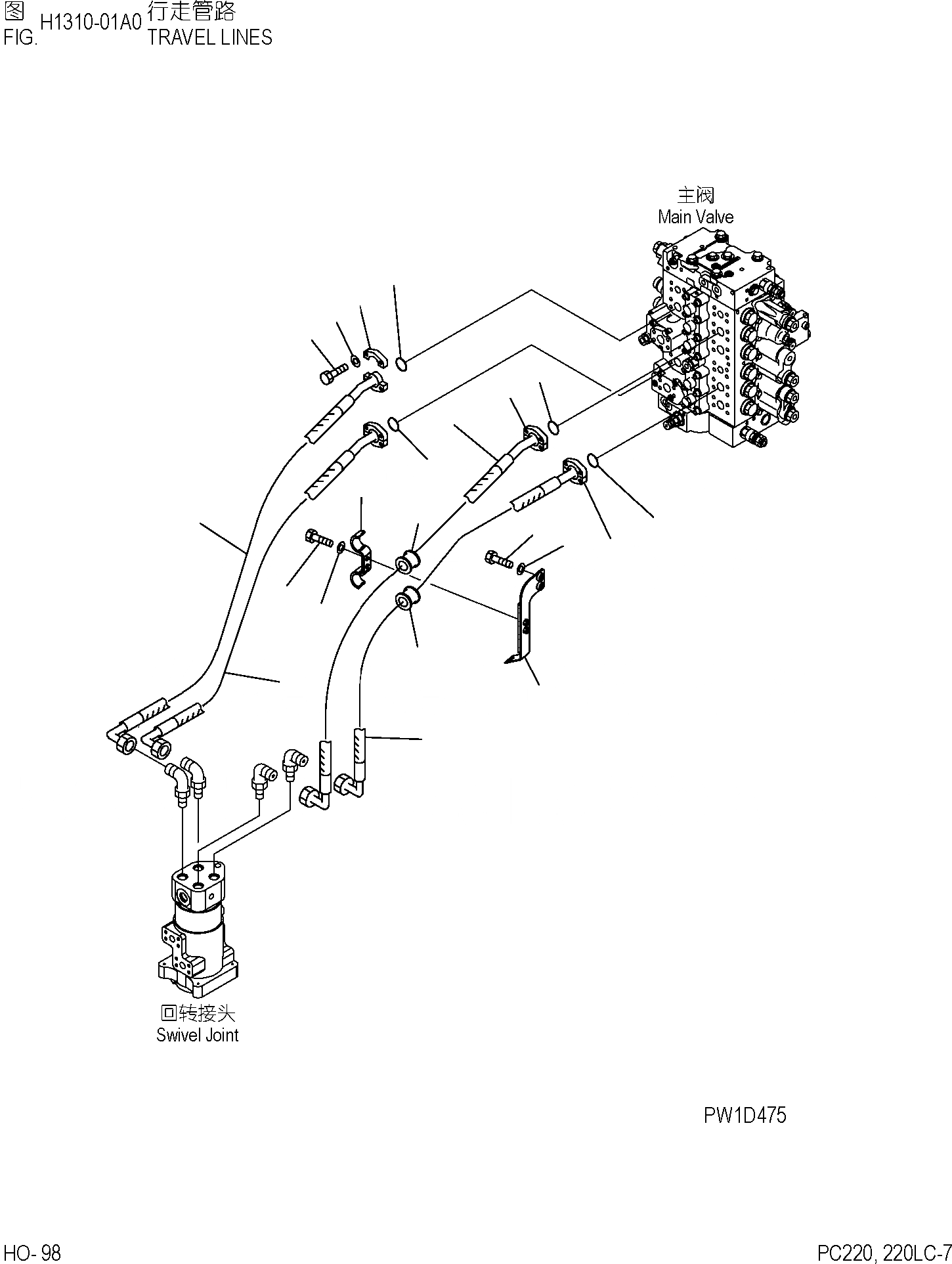
Запчасти Komatsu PC220-7 ЛИНИЯ ХОДА ГИДРАВЛИКА]

Схема запчастей Komatsu PC220-7 - ЛИНИЯ ХОДА ГИДРАВЛИКА]
6
9
11
10
5
13
14
2
7
9
8
15
16
9
4
12
14
18
17
1
3
FIT
1:1
100%

Артикул

Название

Примечание

Количество

1

20Y-62-41191

HOSE

2

21T-09-11460

O-RING

3

20Y-62-41211

HOSE

4

21T-09-11460

O-RING

5

20Y-62-41221

HOSE

6

21T-09-11460

O-RING

7

20Y-62-41232

HOSE

8

21T-09-11460

O-RING

9

07371-31049

FLANGE

10

07372-21035

BOLT

11

01643-51032

WASHER

12

206-62-71170

BRACKET

13

206-62-71141

CLAMP

14

07095-00628

CUSHION

15

01010-81040

BOLT

16

01643-31032

WASHER

17

01010-81035

BOLT

18

01643-31032

WASHER

Выбрано товаров: 0