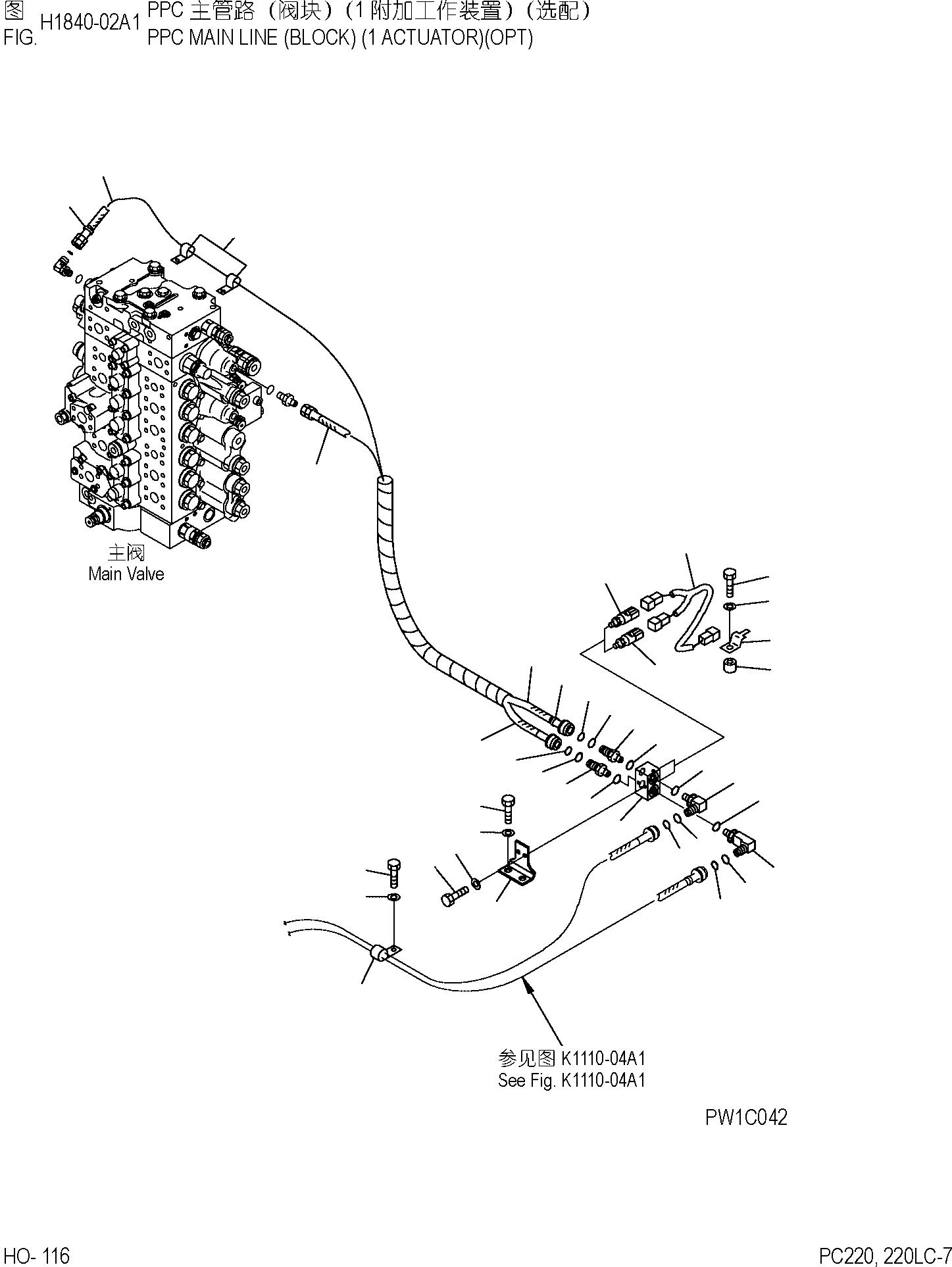
Запчасти Komatsu PC220-7 ОСНОВН. ЛИНИЯ PPC (БЛОК) ( АКТУАТОР) (ОПЦИОНН.) ГИДРАВЛИКА]

Схема запчастей Komatsu PC220-7 - ОСНОВН. ЛИНИЯ PPC (БЛОК) ( АКТУАТОР) (ОПЦИОНН.) ГИДРАВЛИКА]
28
30
31
29
20
19
19
23
24
21
22
28
30
16
17
15
18
10
7
14
11
13
12
8
9
1
18
15
17
16
29
5
6
3
2
4
26
27
25
FIT
1:1
100%

Артикул

Название

Примечание

Количество

1

20Y-62-43430

BLOCK

2

01010-80820

BOLT

3

01643-30823

WASHER

4

20Y-62-43440

BRACKET

5

01010-81025

BOLT

6

01643-31032

WASHER

7

20Y-62-22271

ELBOW

8

201-60-11390

O-RING

9

20Y-62-19560

O-RING

10

07002-01423

O-RING

11

14X-43-14840

ELBOW

12

201-60-11390

O-RING

13

20Y-62-19560

O-RING

14

07002-01423

O-RING

15

20Y-62-16630

NIPPLE

16

201-60-11390

O-RING

17

20Y-62-19560

O-RING

18

07002-01423

O-RING

19

206-06-61130

SWITCH

20

20Y-06-21330

WIRING HARNESS

21

08053-01512

CLIP

22

195-33-11220

SPACER

23

01010-81045

BOLT

24

01643-31032

WASHER

25

04434-51612

CLIP

26

01010-81225

BOLT

27

01643-31232

WASHER

28

20Y-62-43520

HOSE, 2100MM

29

207-62-72720

HOSE, 1400MM

30

20Y-62-22810

BAND, YELLOW

31

04435-51620

CLIP

Выбрано товаров: 31