Качественные детали и логистика
Оригинальные и аналоговые запчасти с доставкой по России, Казахстану и Беларуси
©2022 PartSell ООО "Система" ИНН 2463123282 ОГРН 1212400004838
Центральный офис: г. Красноярск, Академика Киренского, д.87, пом.4
Телефон: 8 (800) 777-65-74 Email: zakaz@partsell.ru
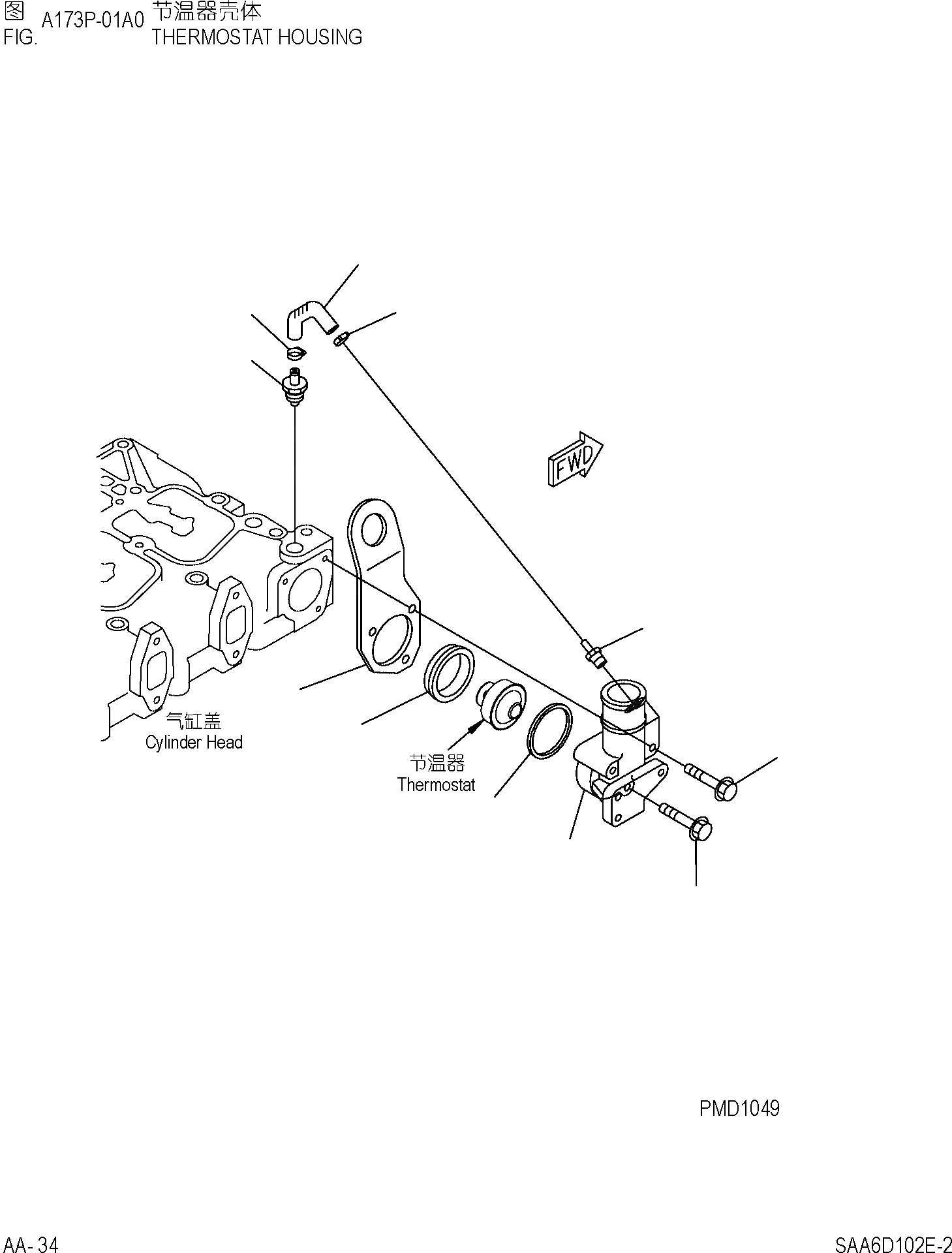
ТЕРМОСТАТ
№
Артикул
Название
Примечание
Количество
1
6732-61-6140
BOLT
2
6732-61-6180
3
6735-11-1920
BRACKET
4
6732-61-6231
HOUSING, THERMOSTAT
5
6732-61-6250
SEAL, RING
6
6732-61-6240
CASKET
7
6732-61-6280
HOSE
8
6732-61-6270
VALVE, CHECK
9
07285-00125
CLIP
10
6732-61-6171
COUPLING
Выбрано товаров: 0