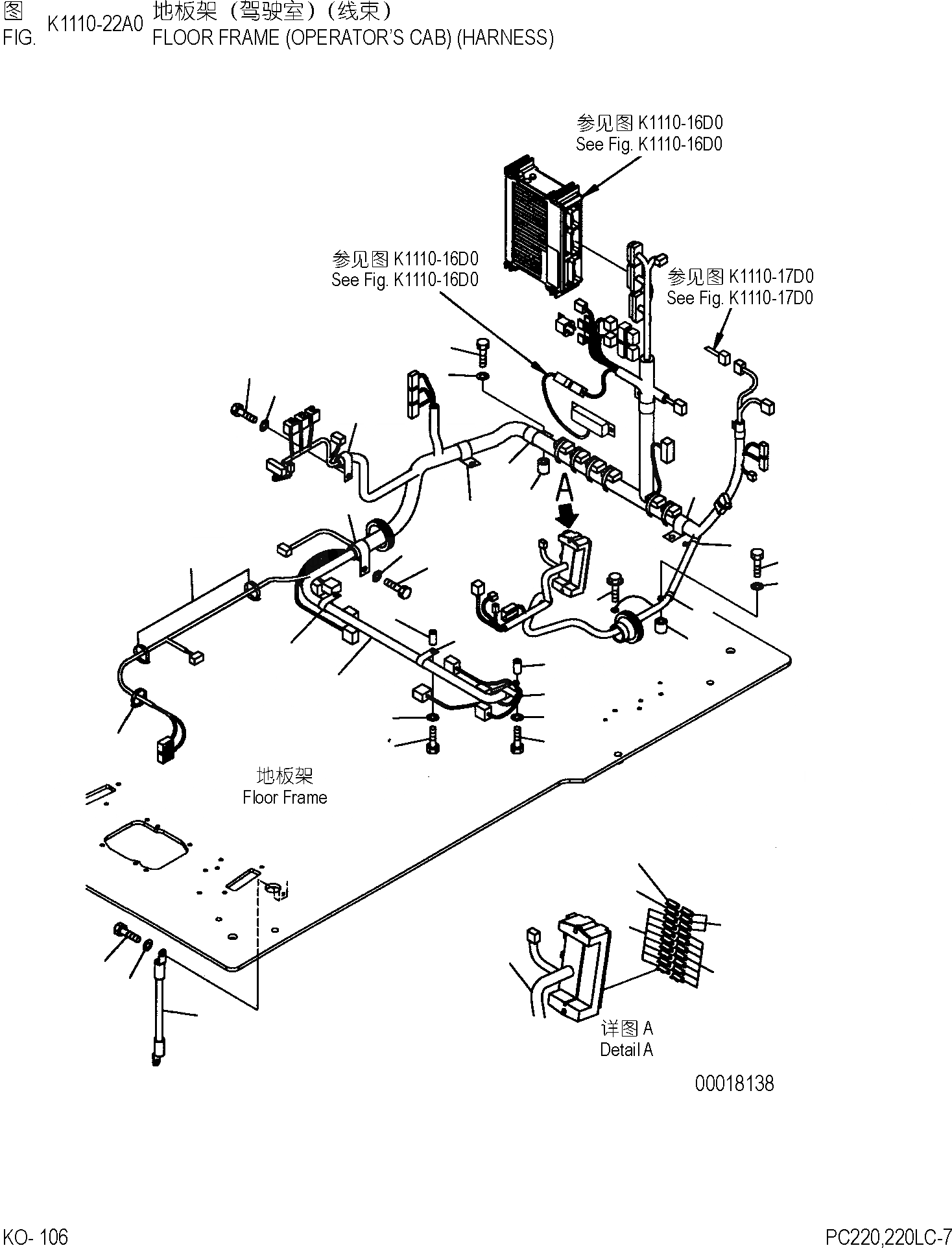
Запчасти Komatsu PC220-7 ОСНОВН. КОНСТРУКЦИЯ (КАБИНА) (Э/ПРОВОДКА) КАБИНА ОПЕРАТОРА И СИСТЕМА УПРАВЛЕНИЯ]

Схема запчастей Komatsu PC220-7 - ОСНОВН. КОНСТРУКЦИЯ (КАБИНА) (Э/ПРОВОДКА) КАБИНА ОПЕРАТОРА И СИСТЕМА УПРАВЛЕНИЯ]
4
5
4
6
7
24
25
26
13
15
14
18
17
1
17
18
17
20
19
20
19
16
16
22
23
21
1
2
3
2
3
2
8
4
8
9
12
11
10
FIT
1:1
100%

Артикул

Название

Примечание

Количество

1

20Y-06-71510

WIRING HARNESS

2

08041-01000

FUSE,10A

3

08041-02000

FUSE,20A

4

04434-53411

CLIP

5

195-33-11220

SPACER

6

01010-81040

BOLT

7

01643-31032

WASHER

8

04434-51710

CLIP

9

195-33-11220

SPACER

10

01010-81040

BOLT

11

01643-31032

WASHER

12

01435-01016

BOLT

13

04434-53411

CLIP

14

01010-81020

BOLT

15

01643-31032

WASHER

16

08034-20519

BAND

17

04434-52310

CLIP

18

195-33-11220

SPACER

19

01010-81040

BOLT

20

01643-31032

WASHER

21

08028-43030

CABLE

22

01010-81020

BOLT

23

01643-31032

WASHER

24

04434-51910

CLIP

25

01010-81020

BOLT

26

01643-31032

WASHER

Выбрано товаров: 26