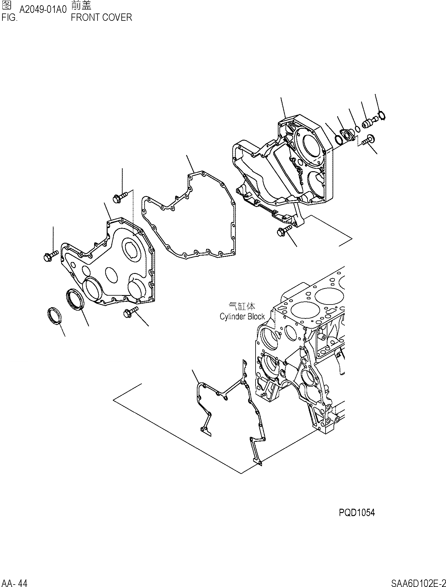
Запчасти Komatsu PC220-7 ПЕРЕДН. COVER ДВИГАТЕЛЬ]

Схема запчастей Komatsu PC220-7 - ПЕРЕДН. COVER ДВИГАТЕЛЬ]
14
12
4
13
1
9
8
7
5
6
10
3
15
11
16
2
FIT
1:1
100%

Артикул

Название

Примечание

Количество

1

6738-21-3110

HOUSING, GEAR

2

6732-21-3811

GASKET

3

6736-21-3210

BOLT

4

6736-21-5310

BOLT

5

6732-21-3140

PIN

6

6732-21-3150

RING

7

6732-21-3870

O-RING

8

6732-21-3180

HOUSING

9

6732-21-3880

GASKET

10

6732-21-3160

BOLT

11

6735-21-3511

SEAL

12

6735-21-3310

COVER, GEAR

13

6736-21-3450

GASKET

14

6736-21-3210

BOLT

15

6736-21-5310

BOLT

16

6731-81-8710

DUST SEAL

Выбрано товаров: 16