Запчасти Komatsu PC220-7 КРЫШКА ТОЛКАТЕЛЕЙ КЛАПАНА ДВИГАТЕЛЬ]

Схема запчастей Komatsu PC220-7 - КРЫШКА ТОЛКАТЕЛЕЙ КЛАПАНА ДВИГАТЕЛЬ]
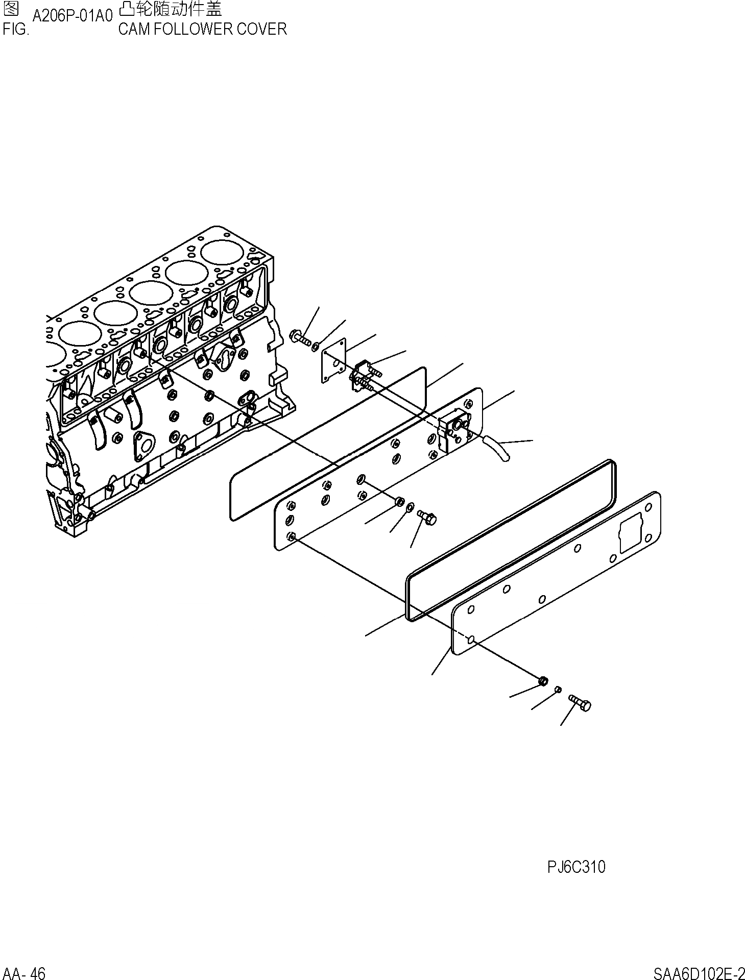
6
7
5
4
9
3
8
1
15
2
11
10
12
13
14
FIT
1:1
100%

Артикул

Название

Примечание

Количество

1

6732-21-8210

GASKET,SEAL

2

6738-21-6280

BOLT

|$3

6738-21-6100

COVER ASS'Y

3

COVER

4

6738-21-7710

BREATHER

5

6738-21-7780

COVER

6

01435-00616

BOLT

7

01640-20610

WASHER

8

6738-21-7810

TUBE

9

6738-21-6180

0-RING

|$11

6738-21-6600

PLATE ASS'Y

10

PlATE

11

6738-21-6650

GASKET

12

6738-21-6660

GASKET

13

6738-21-6670

SPACER

14

6732-71-3220

BOLT

15

6732-11-8150

WASHER

Выбрано товаров: 17