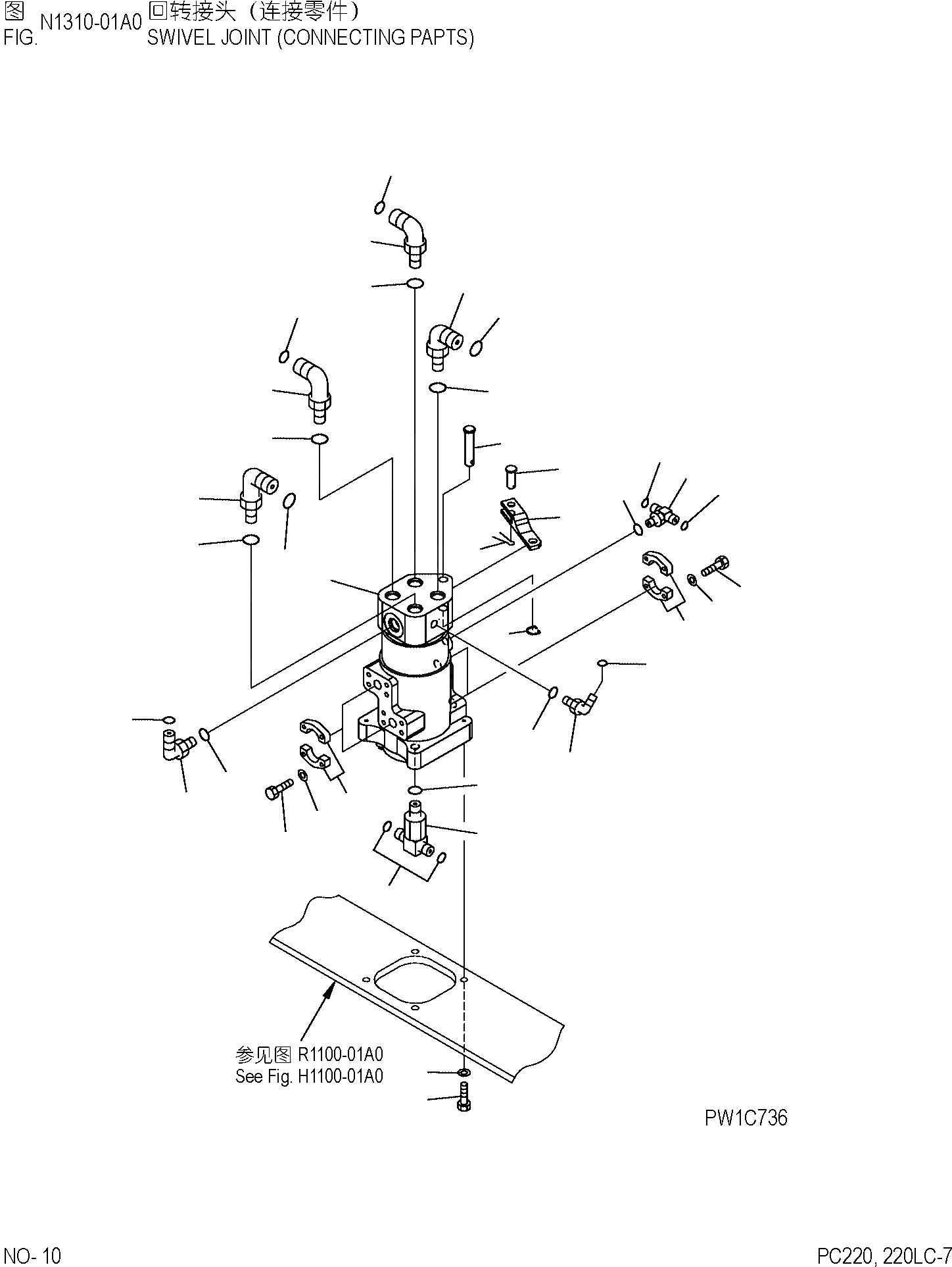
Запчасти Komatsu PC220-7 ПОВОРОТНОЕ СОЕДИНЕНИЕ (СОЕДИНИТЕЛЬН. ЧАСТИ) ПОВОРОТН. КОНТУР И КОМПОНЕНТЫ]

Схема запчастей Komatsu PC220-7 - ПОВОРОТНОЕ СОЕДИНЕНИЕ (СОЕДИНИТЕЛЬН. ЧАСТИ) ПОВОРОТН. КОНТУР И КОМПОНЕНТЫ]
16
14
17
16
14
16
17
22
15
17
15
17
16
1
25
21
24
10
9
8
9
19
20
18
6
5
7
13
11
18
20
19
4
2
3
23
12
27
26
FIT
1:1
100%

Артикул

Название

Примечание

Количество

1

703-08-33610

SWIVEL JOINT ASS'Y

2

02782-10522

ELBOW

3

02896-11015

O-RING

4

07002-12434

O-RING

5

11Y-62-12160

ELBOW

6

02896-11008

O-RING

7

07002-11423

O-RING

8

11Y-62-12250

TEE

9

02896-11008

O-RING

10

07002-11423

O-RING

11

20Y-62-41930

TEE

12

02896-11012

O-RING

13

07002-12434

O-RING

14

02782-10628

ELBOW

15

02782-10630

ELBOW

16

02896-11018

O-RING

17

07002-12434

O-RING

18

07371-30640

FLANGE

19

07372-21035

BOLT

20

01643-51032

WASHER

21

22U-62-21582

BRACKET

22

22U-62-21870

PIN

23

22U-62-24420

PIN

24

04025-11648

PIN

25

04050-14028

PIN

26

01010-81255

BOLT

27

01643-31232

WASHER

Выбрано товаров: 27