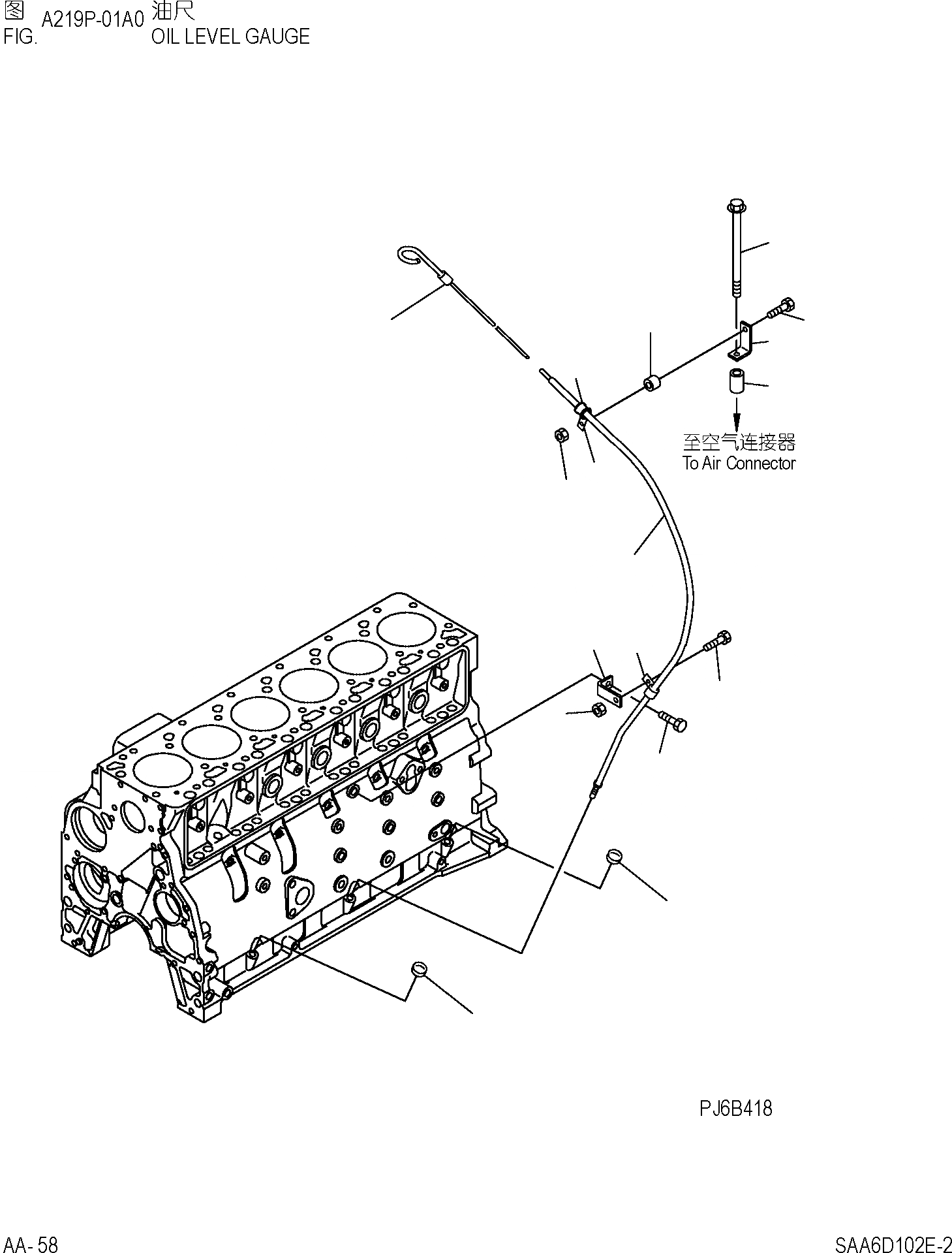
Запчасти Komatsu PC220-7 МАСЛ. ЩУП ДВИГАТЕЛЬ]

Схема запчастей Komatsu PC220-7 - МАСЛ. ЩУП ДВИГАТЕЛЬ]
3
10
9
13
4
8
12
11
14
2
4
6
7
5
5
1
1
FIT
1:1
100%

Артикул

Название

Примечание

Количество

1

6732-21-5530

PLUG

2

6732-21-5490

GUIDE

3

6732-21-5641

GAUGE

4

6205-51-8380

BRACKET

5

6732-21-3120

BOLT

6

04434-51208

CLIP

7

6732-71-3210

NUT

8

203-54-11170

SPACER

9

6222-11-4910

BOLT

10

6141-64-2560

SPACER

11

04434-51708

CLIP

12

07095-20211

CUSHION

13

6732-61-6140

BOLT

14

6732-71-3210

NUT

Выбрано товаров: 14