Запчасти Komatsu PC220-7 ОСНОВН. НАСОС (/) ОСНОВН. КОМПОНЕНТЫ И РЕМКОМПЛЕКТЫ]

Схема запчастей Komatsu PC220-7 - ОСНОВН. НАСОС (/) ОСНОВН. КОМПОНЕНТЫ И РЕМКОМПЛЕКТЫ]
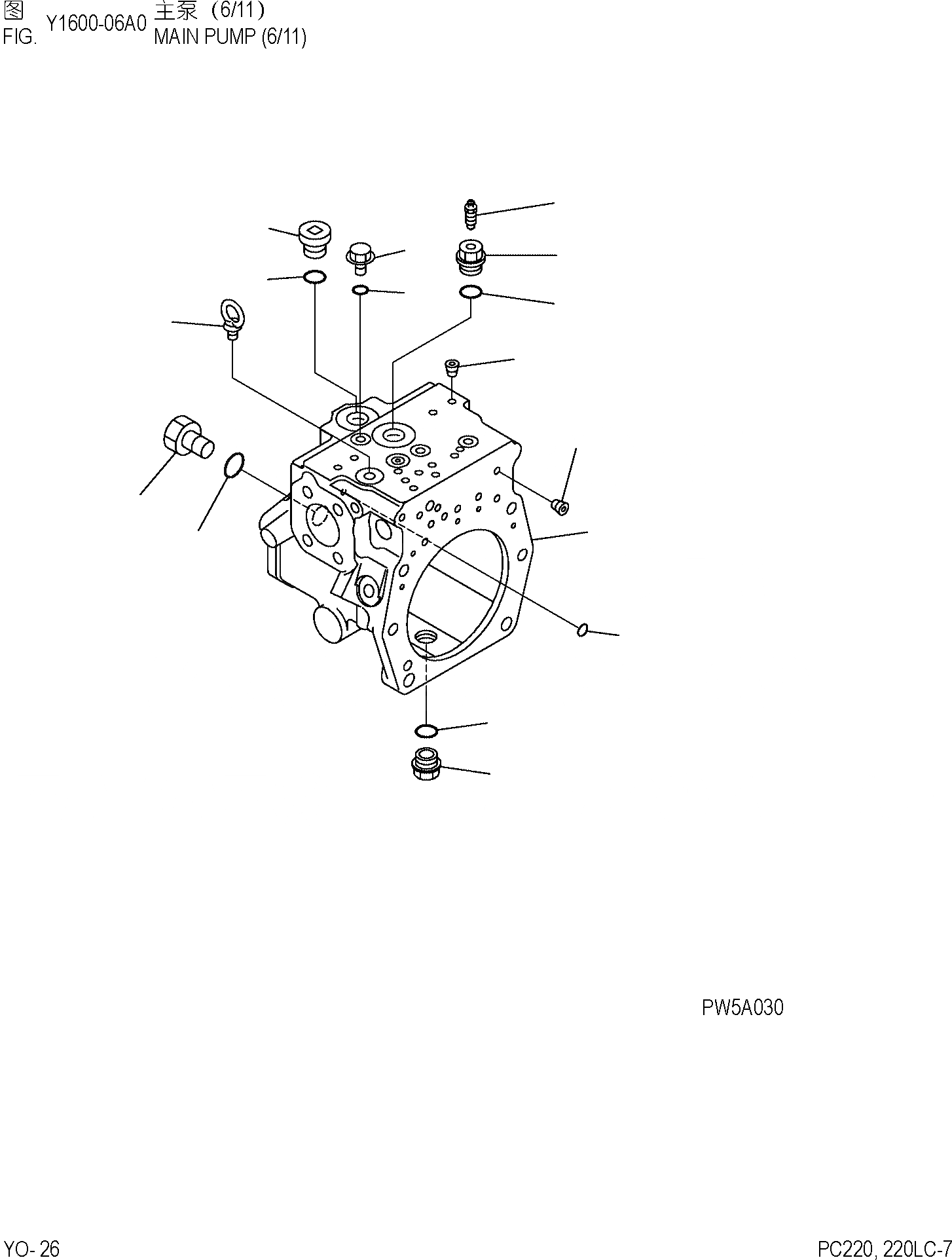
14
15
6
12
13
10
11
7
8
9
2
2
1
3
5
4
FIT
1:1
100%

Артикул

Название

Примечание

Количество

|$1

708-2L-00112

PUMP ASS'Y

|$3

708-2L-01151

PUMP SUB ASS'Y

|$4

708-2L-06210

CASE ASS'Y, REAR

1

CASE, REAR

2

PLUG

3

07000-B1009

O-RING

4

07044-12412

PLUG

5

708-1W-28910

O-RING

6

04530-01222

BOLT, EYE

7

20B-27-11210

BLEEDER

8

706-87-40150

PLUG

9

708-1W-28910

O-RING

10

708-8E-16150

PLUG

11

708-2L-23920

O-RING

12

723-26-15230

PLUG

13

708-1W-28910

O-RING

14

07040-12414

PLUG

15

708-1W-28910

O-RING

Выбрано товаров: 18