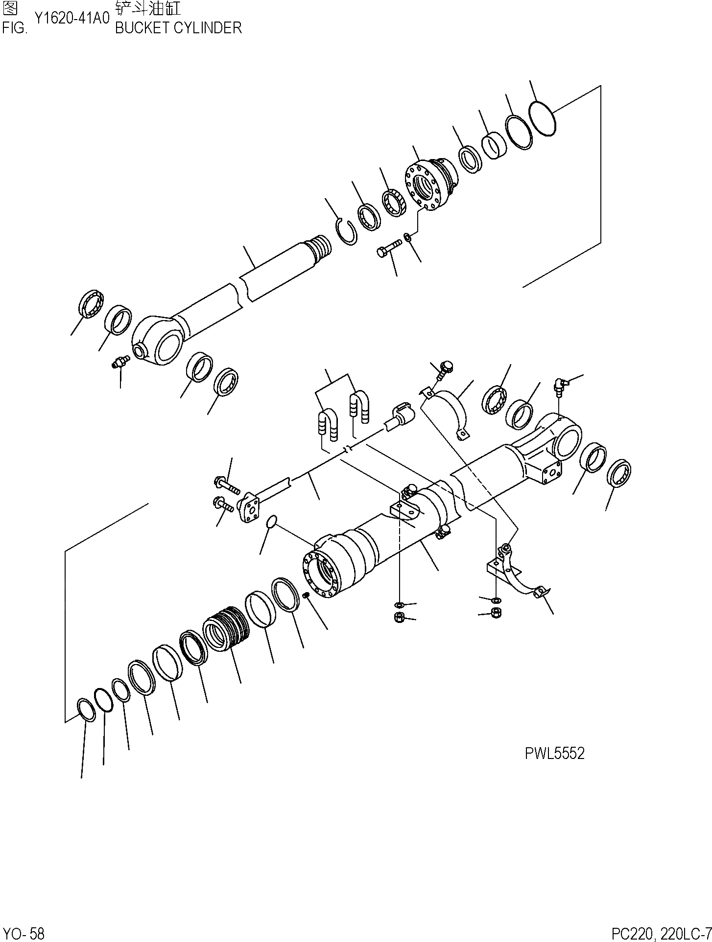
Запчасти Komatsu PC220-7 ЦИЛИНДР КОВША ОСНОВН. КОМПОНЕНТЫ И РЕМКОМПЛЕКТЫ]

Схема запчастей Komatsu PC220-7 - ЦИЛИНДР КОВША ОСНОВН. КОМПОНЕНТЫ И РЕМКОМПЛЕКТЫ]
12
13
10
14
7
11
9
8
4
6
5
24
5
6
27
33
32
31
15
16
3
2
25
2
3
26
28
29
1
35
34
35
34
30
21
22
21
20
19
18
17
19
20
23
FIT
1:1
100%

Артикул

Название

Примечание

Количество

G-1

707-01-XX100

CYLINDER GROUP (FINAL COATING)

|$2

707-01-XC700

CYLINDER GROUP (UNDER COATING)

|$4

CYLINDER ASS'Y

1

707-13-13480

CYLINDER

2

707-76-80470

BUSHING

3

07145-00080

SEAL, DUST (KIT)

4

707-58-90940

ROD, PISTON

5

BUSHING

6

20Y-70-23230

SEAL, DUST (KIT)

7

707-27-13921

HEAD, CYLINDER

8

07179-13104

RING, SNAP

9

195-63-94170

SEAL, DUST (KIT)

10

707-52-90680

BUSHING

11

707-51-90030

PACKING, ROD (KIT)

12

07000-15120

O-RING (KIT)

13

707-35-91320

RING, BACK-UP (KIT)

14

707-51-90640

RING, BUFFER (KIT)

15

01010-81670

BOLT

16

01643-51645

WASHER

17

707-36-13780

PISTON

18

707-44-13180

RING, PISTON (KIT)

19

707-39-13150

RING, WEAR (KIT)

20

707-44-13911

RING

21

707-35-90940

RING, BACK-UP (KIT)

22

07000-15080

O-RING (KIT)

23

01310-01216

SCREW

24

07020-00000

FITTING, GREASE

25

07020-00900

FITTING, GREASE

26

707-86-66350

TUBE

27

01435-01055

BOLT

28

01435-01040

BOLT

29

07000-13030

O-RING (KIT)

30

707-88-22640

BRACKET

31

707-88-21331

BAND

32

01435-01030

BOLT

33

07283-22738

CLIP

34

01599-01011

NUT

35

01643-31032

WASHER

|$41

707-99-47570

SERVICE KIT

Выбрано товаров: 39