Запчасти Komatsu PC220-7 ОСНОВН. КЛАПАН (/) ОСНОВН. КОМПОНЕНТЫ И РЕМКОМПЛЕКТЫ]

Схема запчастей Komatsu PC220-7 - ОСНОВН. КЛАПАН (/) ОСНОВН. КОМПОНЕНТЫ И РЕМКОМПЛЕКТЫ]
13
12
7
9
10
2
10
9
7
15
11
8
9
3
9
8
13
11
7
9
10
4
10
9
7
13
12
7
9
10
5
10
13
12
8
9
9
7
3
9
8
1
11
15
12
14
12
13
12
13
7
9
10
6
10
9
7
12
14
FIT
1:1
100%

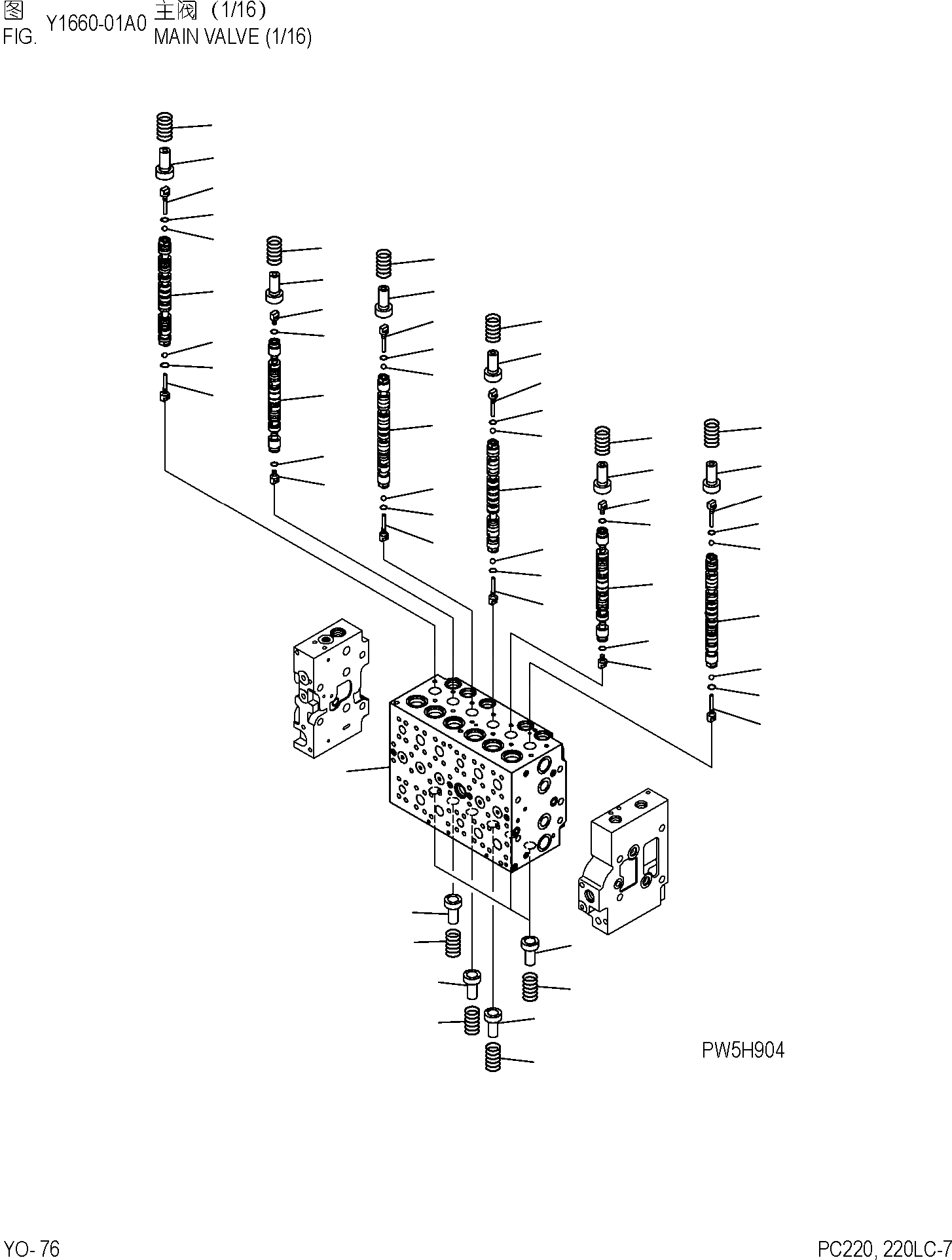
Артикул

Название

Примечание

Количество

|$1

723-46-20502

VALVE ASS'Y

|$3

BODY SUB ASS'Y

1

BLOCK, VALVE

2

SPOOL

3

SPOOL

4

SPOOL

5

SPOOL

6

SPOOL

7

723-46-15130

PLUG

8

723-46-15140

PLUG

9

07002-10823

O-RING

10

708-7T-16460

BALL

11

723-46-15120

RETAINER

12

723-46-15690

RETAINER

13

723-46-14110

SPRING

14

723-46-14270

SPRING

15

723-46-14131

SPRING

Выбрано товаров: 17