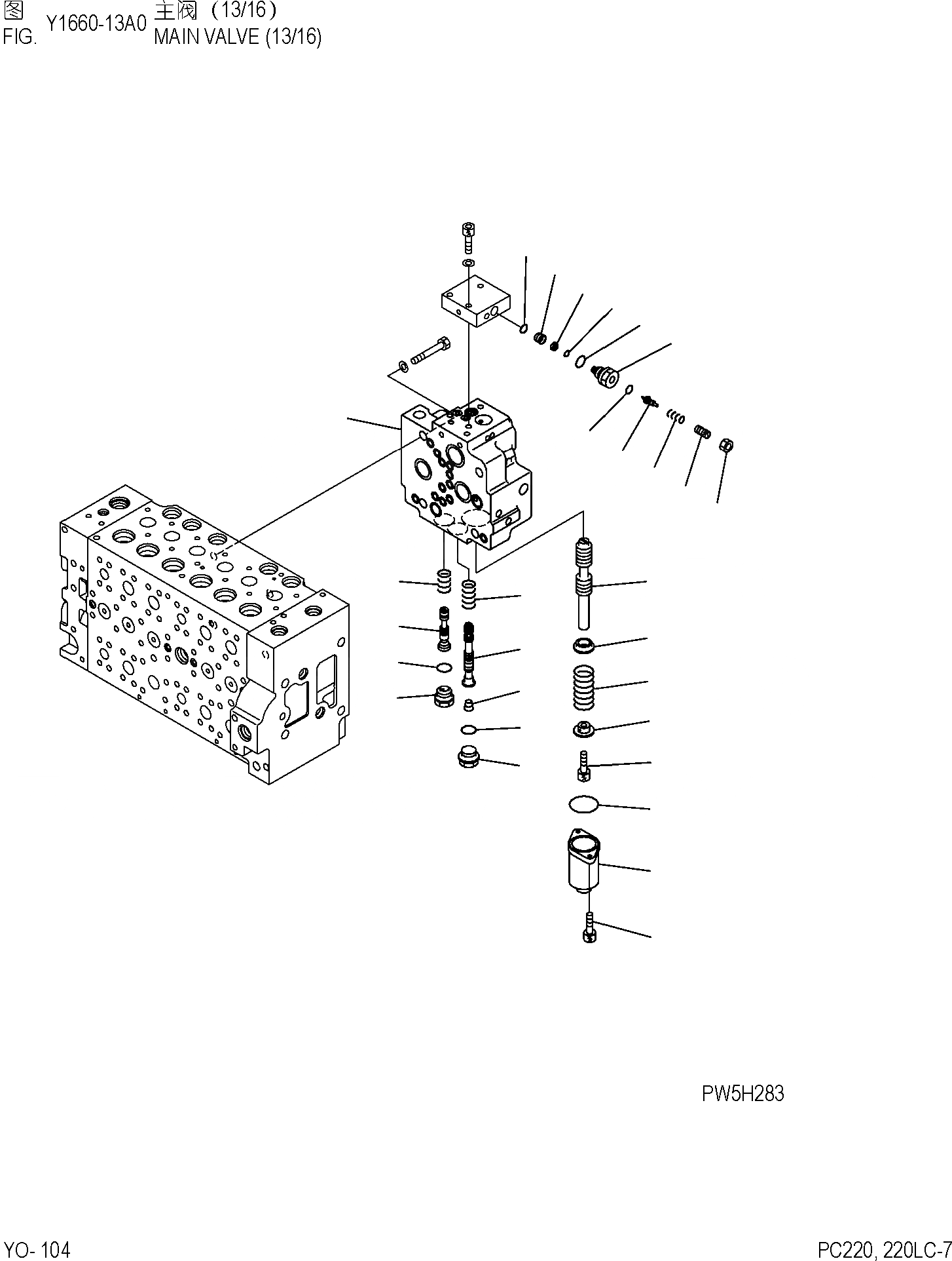
Запчасти Komatsu PC220-7 ОСНОВН. КЛАПАН (/) ОСНОВН. КОМПОНЕНТЫ И РЕМКОМПЛЕКТЫ]

Схема запчастей Komatsu PC220-7 - ОСНОВН. КЛАПАН (/) ОСНОВН. КОМПОНЕНТЫ И РЕМКОМПЛЕКТЫ]
27
20
21
26
29
19
1
28
22
23
24
25
11
16
15
18
17
10
14
12
13
2
3
4
7
5
8
6
9
FIT
1:1
100%

Артикул

Название

Примечание

Количество

|$1

723-46-20502

VALVE ASS'Y

|$3

723-40-71102

VALVE ASS'Y

1

BODY

2

SPOOL

3

723-40-71330

RETAINER

4

723-40-71340

SPRING

5

01252-60816

BOLT

6

723-46-15111

CASE

7

723-40-71350

RETAINER

8

07430-71380

O-RING

9

01252-60820

BOLT

10

SPOOL

11

723-40-71440

SPRING

12

PLUG

13

709-74-91860

PLUG

14

07002-12434

O-RING

15

SPOOL

16

723-40-71390

SPRING

17

723-40-61150

PLUG

18

07002-12434

O-RING

|$22

VALVE ASS'Y, RELIEF

19

SLEEVE

20

702-21-55750

COLLAR

21

702-21-55760

FILTER

22

POPPET

23

SPRING

24

SCREW

25

NUT

26

723-11-19660

O-RING

27

702-16-53920

O-RING

28

O-RING

29

07002-11623

O-RING

Выбрано товаров: 32