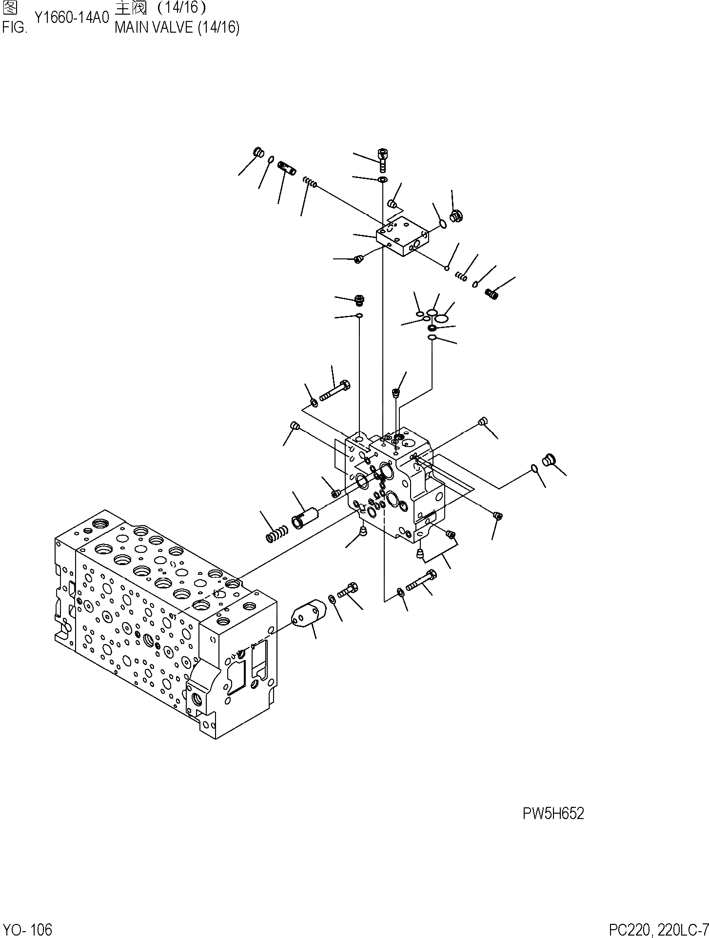
Запчасти Komatsu PC220-7 ОСНОВН. КЛАПАН (/) ОСНОВН. КОМПОНЕНТЫ И РЕМКОМПЛЕКТЫ]

Схема запчастей Komatsu PC220-7 - ОСНОВН. КЛАПАН (/) ОСНОВН. КОМПОНЕНТЫ И РЕМКОМПЛЕКТЫ]
20
21
11
12
9
10
8
27
19
18
15
14
16
13
27
24
25
30
29
26
4
5
6
3
7
27
27
27
1
2
27
31
32
33
30
28
17
27
23
22
27
FIT
1:1
100%

Артикул

Название

Примечание

Количество

|$1

723-46-20502

VALVE ASS'Y

|$3

723-40-71102

VALVE ASS'Y

1

723-40-71430

VALVE

2

702-21-55460

SPRING

3

702-21-55420

O-RING

4

702-21-55520

O-RING

5

702-21-55440

O-RING

6

702-21-53120

FILTER

7

07000-12011

O-RING

8

BLOCK

9

SPOOL

10

SPRING

11

702-21-55620

PLUG

12

07002-11423

O-RING

13

702-21-55710

SEAT

14

702-21-55720

SPRING

15

04260-00793

BALL

16

07000-11009

O-RING

17

PLUG

18

708-8H-11530

PLUG

19

07002-11423

O-RING

20

01252-61040

BOLT

21

01643-51032

WASHER

22

702-21-55620

PLUG

23

07002-11423

O-RING

24

708-8E-16160

BOLT

25

07002-11023

O-RING

26

0700-12011

O-RING

27

PLUG

28

01010-61470

BOLT

29

01010-61460

BOLT

30

01643-31445

WASHER

31

723-46-17560

PLATE

32

01643-51032

WASHER

33

01010-81040

BOLT

Выбрано товаров: 35