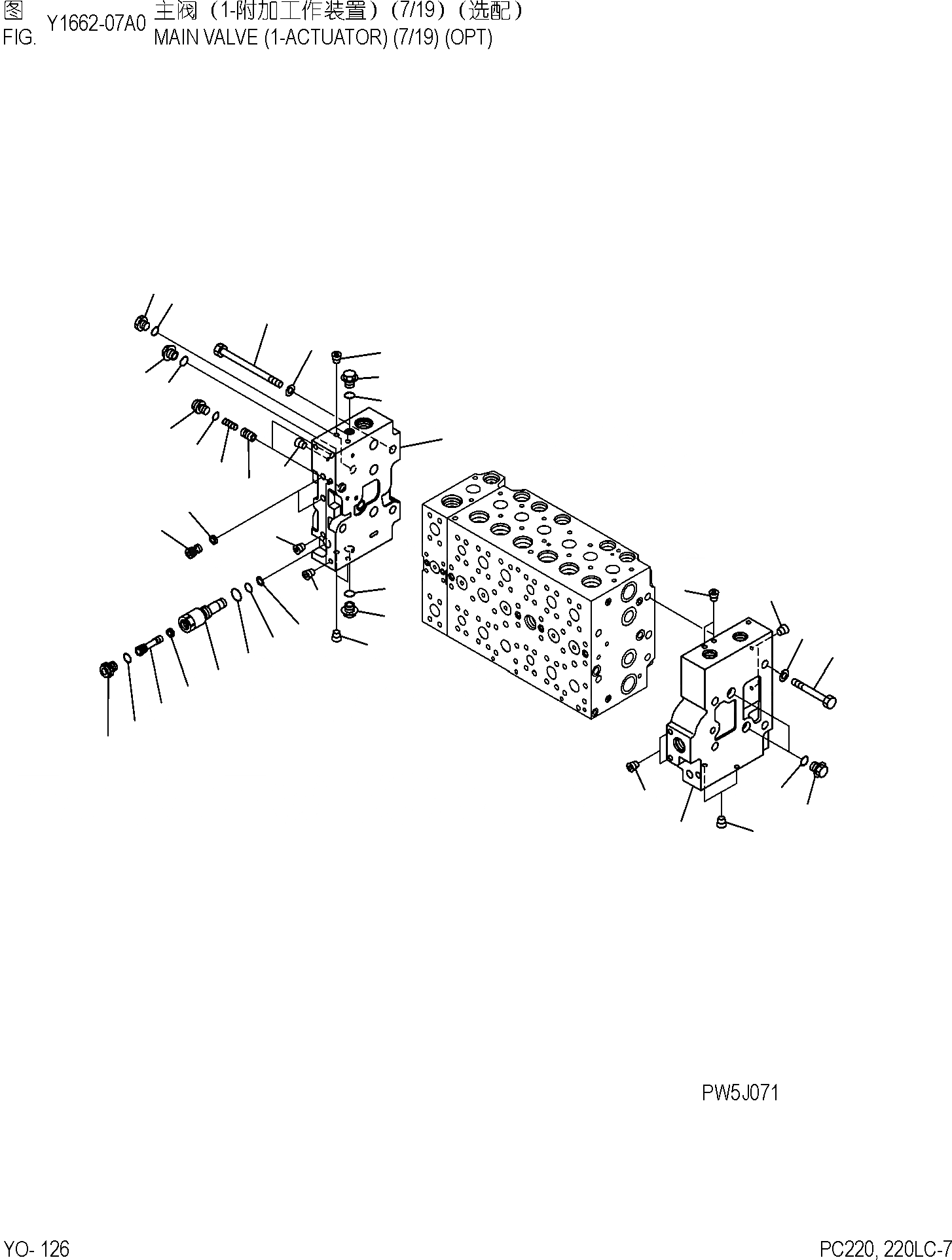
Запчасти Komatsu PC220-7 ОСНОВН. КЛАПАН( АКТУАТОР) (7/9) (ОПЦИОНН.) ОСНОВН. КОМПОНЕНТЫ И РЕМКОМПЛЕКТЫ]

Схема запчастей Komatsu PC220-7 - ОСНОВН. КЛАПАН( АКТУАТОР) (7/9) (ОПЦИОНН.) ОСНОВН. КОМПОНЕНТЫ И РЕМКОМПЛЕКТЫ]
8
9
26
25
2
6
7
6
7
22
23
21
20
2
18
19
3
2
7
6
2
15
14
13
10
12
11
17
16
5
4
5
7
6
25
5
24
5
1
FIT
1:1
100%

Артикул

Название

Примечание

Количество

|$1

723-47-20501

VALVE ASS'Y

|$3

723-46-00750

COVER ASS'Y

1

COVER, A

2

PLUG

3

PLUG

|$7

723-46-00742

COVER ASS'Y

4

COVER, B

5

PLUG

6

723-46-15180

PLUG

7

07002-11823

O-RING

8

708-8H-11530

RING

9

07002-11423

O-RING

|$14

723-46-17600

PLUG ASS'Y

10

723-46-17610

SLEEVE

11

723-46-17640

PLUG

12

702-21-55760

FILTER

13

07002-11423

O-RING

14

07000-11007

O-RING

15

07001-01007

RING, BACK-UP

16

708-8E-16160

PLUG

17

07002-11023

O-RING

18

723-40-82220

FILTER

19

723-46-17550

PLUG

20

723-46-15190

VALVE

21

723-46-14140

SPRING

22

708-8E-16160

PLUG

23

07002-11023

O-RING

24

01010-61490

BOLT

25

01643-31445

WASHER

26

01011-61455

BOLT

Выбрано товаров: 30