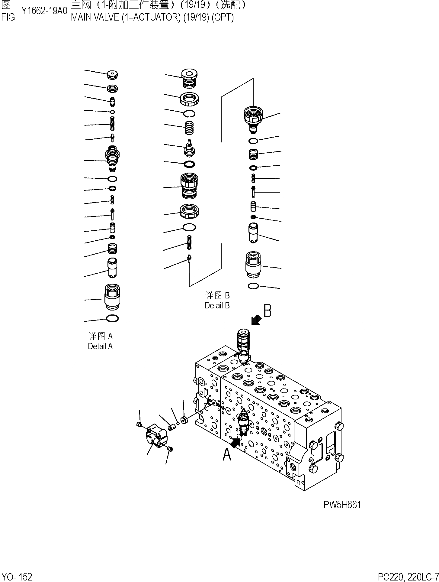
Запчасти Komatsu PC220-7 ОСНОВН. КЛАПАН( АКТУАТОР) (9/9) (ОПЦИОНН.) ОСНОВН. КОМПОНЕНТЫ И РЕМКОМПЛЕКТЫ]

Схема запчастей Komatsu PC220-7 - ОСНОВН. КЛАПАН( АКТУАТОР) (9/9) (ОПЦИОНН.) ОСНОВН. КОМПОНЕНТЫ И РЕМКОМПЛЕКТЫ]
22
21
12
20
15
11
10
19
17
13
9
8
16
14
30
40
44
43
31
35
41
39
42
34
29
7
6
18
37
23
24
26
25
27
32
36
33
38
28
2
4
3
5
1
5
FIT
1:1
100%

Артикул

Название

Примечание

Количество

|$1

723-47-20501

VALVE ASS'Y

|$3

723-40-66300

VALVE ASS'Y

1

CASE

2

SEAT

3

SEAT

4

BALL

5

PLUG

|$9

723-40-91300

VALVE ASS'Y, SUCTON AND SAFETY

6

SLEEVE

7

SLEEVE

8

POPPET

9

PISTON

10

PLUG

11

POPPET

12

SPACER

13

SPRING

14

SPRING

15

SPRING

16

SEAL

17

SEAL

18

709-25-11390

O-RING

19

O-RING

20

O-RING

21

NUT

22

NUT

|$27

723-90-76101

VALVE ASS'Y, SUCTON AND SAFETY

23

SLEEVE

24

SLEEVE

25

POPPET

26

SEAL

27

PISTON

28

SLEEVE

29

POPPET

30

UNIOON

Выбрано товаров: 34