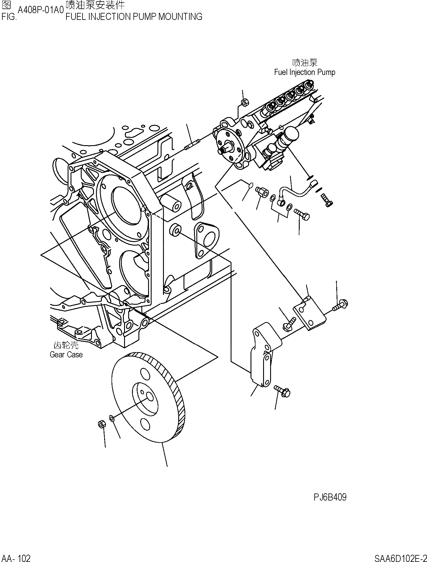
Запчасти Komatsu PC220-7 КРЕПЛЕНИЕ ТОПЛ. НАСОСА ДВИГАТЕЛЬ]

Схема запчастей Komatsu PC220-7 - КРЕПЛЕНИЕ ТОПЛ. НАСОСА ДВИГАТЕЛЬ]
6
7
12
11
14
13
15
4
3
5
2
1
10
9
8
FIT
1:1
100%

Артикул

Название

Примечание

Количество

1

6738-71-3620

BRACKET

2

6732-61-3110

BOLT

3

6738-71-3610

BRACKET

4

6735-71-3220

BOLT

5

6734-71-5610

BOLT

6

6738-71-3120

STUD

7

6736-81-6170

NUT

8

6738-71-3100

GEAR ASS'Y

9

6130-32-1361

WASHER

10

01582-01411

NUT

11

6732-71-5450

NPPLE

12

6215-81-9710

O-RING

13

07206-30710

BOLT,JOINT

14

07005-01012

GASKET

15

6735-71-5411

TUBE,OIL

Выбрано товаров: 15