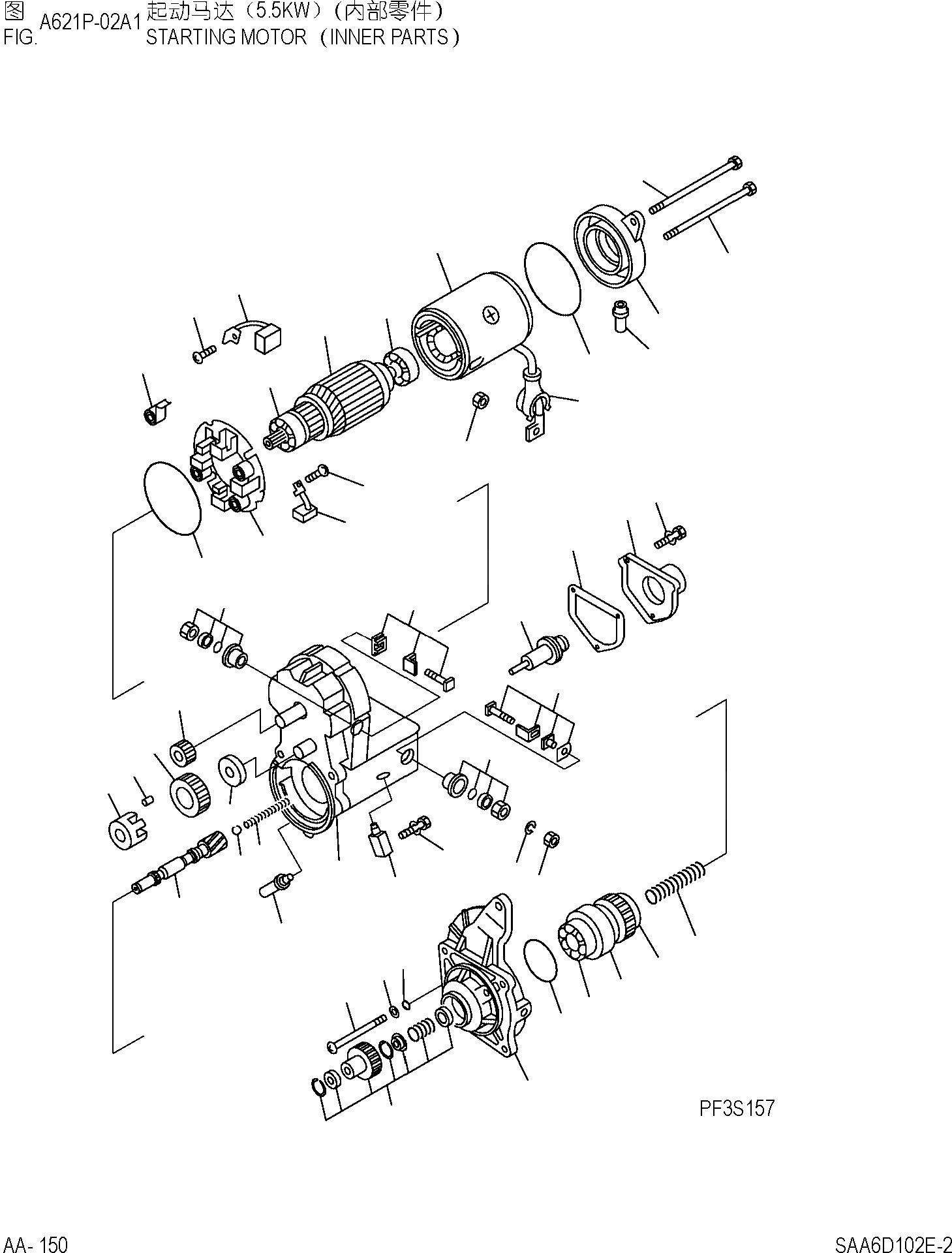
Запчасти Komatsu PC220-7 СТАРТЕР (.KW) (ВНУТР. ЧАСТИ) ДВИГАТЕЛЬ]

Схема запчастей Komatsu PC220-7 - СТАРТЕР (.KW) (ВНУТР. ЧАСТИ) ДВИГАТЕЛЬ]
32
30
23
43
37
29
34
1
4
2
41
39
22
3
39
40
21
37
14
14
15
16
17
19
13
13
38
26
27
28
10
24
35
25
20
12
18
42
36
44
9
8
6
7
45
31
46
33
11
5
FIT
1:1
100%

Артикул

Название

Примечание

Количество

|$1

600-863-5110

STATINGMOTOR ASS'Y, (5.5KW)

1

ND028100-5410

YOKE ASS'Y

2

ND028200-5250

ARMATURE ASS'Y

3

ND949100-3161

BEARING,BALL

|$6

ND949100-5290

BEARING,BALL

4

ND949100-3540

BEARING,BALL

|$8

ND028300-6551

CLUTCH ASS'Y

5

ND028099-3270

STARTER IKT

6

ND028300-6751

CLUTCH ASS'Y

7

ND949100-4500

BEARING,BALL,FRONT

8

ND949100-1920

BEARING,BALL,REAR

9

ND949170-4040

SPRING

10

ND028381-0071

SHAFT

11

ND128401-5621

HOUSING

12

ND153400-2600

SWITCH ASS'Y MAGNETIC

13

ND028099-5090

KIT,STARTER

14

ND028099-5100

KIT,STARTER

15

ND053660-0443

PLUNGER

16

ND053404-0240

GASKET

17

ND053505-0290

COVER,SOLENOID

18

ND053480-7560

BOLT ASS'Y,TERMINAL

19

ND949047-4440

BOLT

20

ND028065-0250

BUSHING,DRAIN

21

ND028510-0880

HOLDER ASS'Y,BRUSH

22

ND028520-0011

SPRING,BRUSH

23

ND028501-7711

FRAME

24

ND949120-0240

BALL,STEEL

25

ND949170-4070

SPRING

26

ND028371-3210

PINION,STARTER

27

ND028306-0070

ROLLER,CLUTCH

28

ND028063-0030

RETAINER

29

ND028062-0130

CAP

30

ND949042-3680

BOLT

31

ND90801-10050

O-RING

32

ND949042-3690

BOLT

33

ND949006-4720

SCREW

34

ND949056-4480

NUT

35

ND028327-0171

RETAINER,SNAP

36

ND90258-10001

WASHER,SPRING

37

ND028901-0361

SEAL

38

ND028371-3200

PINION

39

ND949007-6530

SCREW

40

ND028530-1090

BRUSH ASS'Y

41

ND028530-1100

BRUSH ASS'Y

42

ND949007-6850

SCREW

43

ND028062-5790

COVER

44

ND90170-10061

NUT

45

ND90801-20470

O-RING

46

ND90200-06241

WASHER

Выбрано товаров: 49