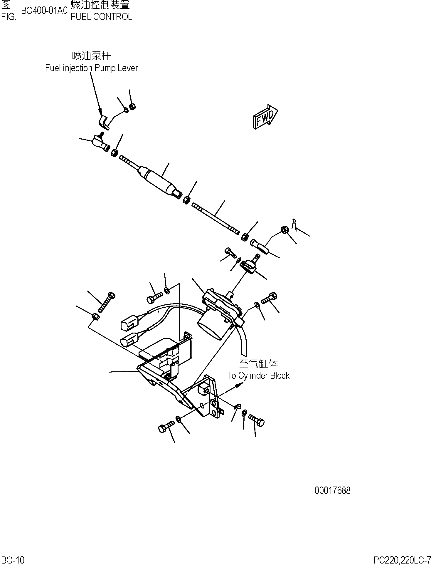
Запчасти Komatsu PC220-7 УПРАВЛ-Е ПОДАЧ. ТОПЛИВА КОМПОНЕНТЫ ДВИГАТЕЛЯ]

Схема запчастей Komatsu PC220-7 - УПРАВЛ-Е ПОДАЧ. ТОПЛИВА КОМПОНЕНТЫ ДВИГАТЕЛЯ]
27
26
25
24
17
18
19
20
23
22
21
9
11
10
6
5
4
12
13
1
2
3
14
16
15
8
7
FIT
1:1
100%

Артикул

Название

Примечание

Количество

1

20Y-43-31310

BRACKET

|$2

20Y-43-31311

BRACKET

2

01010-81230

BOLT

3

01643-31232

WASHER

4

01010-80820

BOLT

5

01643-30823

WASHER

6

7834-41-2000

MOTOR ASS'Y

|$8

7834-41-2002

MOTOR ASS'Y

7

01010-81040

BOLT

8

01643-31032

WASHER

9

20Y-43-12143

LEVER

10

01010-81030

BOLT

11

01602-21030

WASHER

12

01016-51070

BOLT

13

01580-11008

NUT

14

04434-50812

CLIP

15

01010-81220

BOLT

16

01643-31232

WASHER

17

20Y-43-23441

SPRING ASS'Y

18

01582-11008

NUT

19

04248-31018

ROD

20

01508-41006

NUT

21

04250-91056

END

22

01593-31008

NUT

23

04050-12018

PIN

24

01582-11008

NUT

25

20Y-43-12180

JOINT

26

01602-20619

WASHER

27

01580-10605

NUT

Выбрано товаров: 29