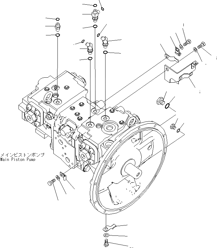
Запчасти Komatsu PC220-8 ОСНОВН. НАСОС (ДЛЯ -АКТУАТОР) ГИДРАВЛИКА

Схема запчастей Komatsu PC220-8 - ОСНОВН. НАСОС (ДЛЯ -АКТУАТОР) ГИДРАВЛИКА
1
2
3
4
5
6
6
7
8
9
10
11
12
13
13
14
14
15
16
17
18
19
20
21
22
23
24
25
26
27
FIT
1:1
100%

Артикул

Название

Примечание

Количество

1

07040-12412

PLUG

2

07002-12434

O-RING

2

07002-02434

O-RING

3

07040-11209

PLUG

4

07002-11223

O-RING

5

11Y-62-12330

ELBOW

6

02896-11008

O-RING

7

07002-11423

O-RING

8

11Y-62-12240

ELBOW

9

07002-11423

O-RING

10

02896-11008

O-RING

11

11Y-62-12240

ELBOW

12

11Y-62-12130

NIPPLE

13

02896-11008

O-RING

14

07002-11423

O-RING

15

20Y-06-41530

BRACKET

16

01010-81225

BOLT

17

01643-31232

WASHER

18

08193-21012

CLIP

19

04434-50812

CLIP

20

01010-81225

BOLT

21

01643-31232

WASHER

22

04434-50510

CLIP

23

01010-81020

BOLT

24

01643-31032

WASHER

25

08193-21012

CLIP

26

01010-81020

BOLT

27

01643-31032

WASHER

Выбрано товаров: 28