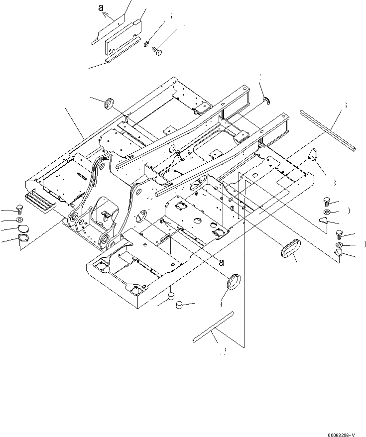
Запчасти Komatsu PC220-8 ОСНОВНАЯ РАМА ОСНОВНАЯ РАМА И ЕЕ ЧАСТИ

Схема запчастей Komatsu PC220-8 - ОСНОВНАЯ РАМА ОСНОВНАЯ РАМА И ЕЕ ЧАСТИ
1
2
3
4
5
6
6
7
8
9
9
10
10
11
12
13
14
15
16
17
18
19
20
21
22
FIT
1:1
100%

Артикул

Название

Примечание

Количество

1

206-46-21101

FRAME

2

205-30-71181

COVER

3

205-30-71191

GASKET

4

01010-81230

BOLT

5

01643-31232

WASHER

6

20Y-46-41280

PLUG

7

20Y-54-61670

BRACKET

8

20Y-54-61680

BRACKET

9

01010-81230

BOLT

10

01643-31232

WASHER

|$22

20Y-46-52441

COVER

11

COVER

12

20Y-46-52180

SHEET

13

20Y-46-52172

SHEET

14

01010-81230

BOLT

15

01643-31232

WASHER

16

20Y-46-52150

SEAL

17

20Y-46-51162

SHEET

18

20Y-46-52141

SHEET

19

206-46-71170

GROMMET

20

206-46-21180

GROMMET

21

206-46-21190

GROMMET

22

20Y-46-51140

GROMMET

Выбрано товаров: 23