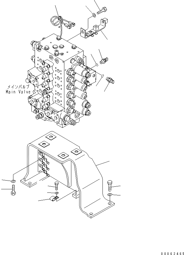
Запчасти Komatsu PC220-8 ОСНОВН. УПРАВЛЯЮЩ. КЛАПАН (КОРПУС КЛАПАНА И ДАТЧИК) ГИДРАВЛИКА

Схема запчастей Komatsu PC220-8 - ОСНОВН. УПРАВЛЯЮЩ. КЛАПАН (КОРПУС КЛАПАНА И ДАТЧИК) ГИДРАВЛИКА
1
2
3
4
5
6
6
7
7
8
9
10
11
12
13
14
FIT
1:1
100%

Артикул

Название

Примечание

Количество

1

20Y-62-51112

BRACKET

2

01010-81640

BOLT

3

01643-31645

WASHER

4

01010-81645

BOLT

5

01643-31645

WASHER

6

7861-93-1811

SENSOR

7

07002-11823

O-RING

8

08034-20536

BAND

9

04435-51512

CLIP

10

01010-81225

BOLT

11

01643-31232

WASHER

12

20Y-62-51471

BRACKET

13

01010-81635

BOLT

14

01643-31645

WASHER

Выбрано товаров: 14