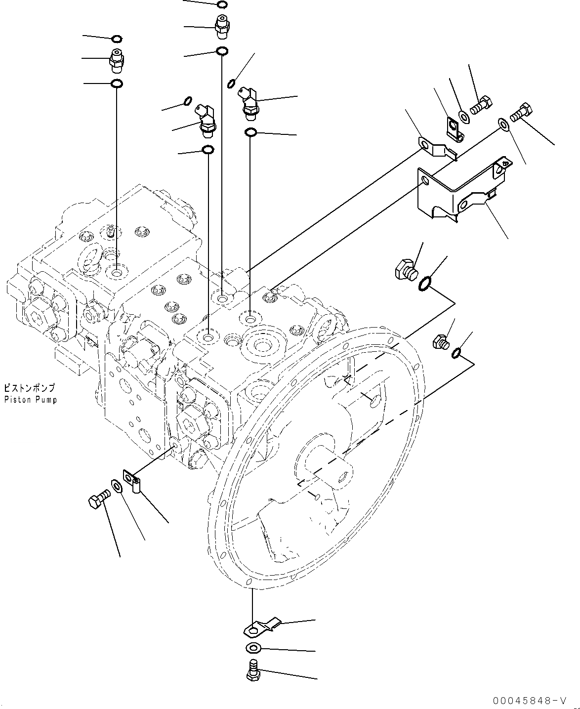
Запчасти Komatsu PC220-8 ПОРШЕНЬ НАСОС (№877-) ПОРШЕНЬ НАСОС

Схема запчастей Komatsu PC220-8 - ПОРШЕНЬ НАСОС (№877-) ПОРШЕНЬ НАСОС
1
3
7
6
14
13
11
12
15
16
18
19
20
22
23
25
26
2
4
14
13
21
17
24
27
5
10
9
8
FIT
1:1
100%

Артикул

Название

Примечание

Количество

1

07040-12412

Plug

2

07002-12434

O-ring

2

07002-02434

O-ring

3

07040-11209

Plug

4

07002-11223

O-ring

5

11Y-62-12130

Nipple

6

02896-11008

O-ring

7

07002-11423

O-ring

8

11Y-62-12240

Elbow

9

07002-11423

O-ring

10

02896-11008

O-ring

11

11Y-62-12240

Elbow

12

11Y-62-12130

Nipple

13

02896-11008

O-ring

14

07002-11423

O-ring

15

20Y-06-41530

Bracket

16

01010-81225

Bolt

17

01643-31232

Washer

18

08193-21012

Clip

19

04434-50812

Clip

20

01010-81225

Bolt

21

01643-31232

Washer

22

04434-50510

Clip

23

01010-81020

Bolt

24

01643-31032

Washer

25

08193-21012

Clip

26

01010-81020

Bolt

27

01643-31032

Washer

Выбрано товаров: 0